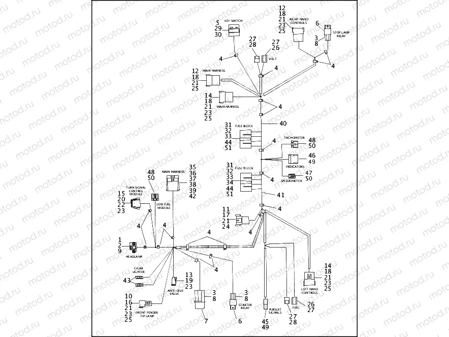
WIRING HARNESS, INTERCONNECT - FLHTP

WIRING HARNESS, INTERCONNECT - FLHTP
0
WIRING HARNESS, interconnect
1
9847
CONNECTOR, RH
2
9848
CONNECTOR, LH
3
9937
TERMINAL .25 FASTON 18-14GA
4
10065
CABLE STRAP
5
10147
CLIP, CONNECTOR
6
31504-91C
STL1994 STARTER RELAY
7
68563-04A
Relais clignotant
8
72046-79
SOCKET HOUSING
9
72056-92
HOUSING, 3-PLACE FEMALE
10
72103-94BK
SEALED PIN HOUSING, BLACK, 3-P
11
72108-94BK
SEALED PIN HOUSING, BLACK, 8-P
12
72109-94BK
SEALED PIN HOUSING, BLACK, 12
13
72112-94BK
SEALED SOCKET HOUSING, BLACK,
14
72129-94GY
SEALED PIN HOUSING, GRAY, 12-P
15
72138-94GY
SEALED SOCKET HOUSING, GRAY, 8
16
72143-94
SECONDARY LOCK, 3 PIN
17
72148-94
SECONDARY LOCK, 8 PIN
18
72149-94
SECONDARY LOCK, 12 PIN
19
72152-94
2-SOCKET SECONDARY LOCK
20
72158-94
SOCKET SECONDARY LOCK, 8 WAY
21
72190-94
STAMPED & FORMED PIN
22
72191-94
STAMPED AND FORMED SOCKET
23
72195-94
SEAL PIN,4-WAY RECEPTACLE
24
ATTACHMENT CLIP, 8-way only
25
72199-94
CONNECTOR ANCHOR,T-STUD
26
72200-94A
HOUSING,3-WAY SOCKET
27
TERMINAL, female
28
CONNECTOR, 2-way
29
72205-94
CONNECTOR, 4 POSITION MALE
30
72208-94
MALE TERMINAL, 12 GA
31
72216-94
FUSE BLOCK
32
72217-94
TERMINAL, AUTO FUSE 18 GA
33
72218-94
TERMINAL, AUTO FUSE 14-16 GA
34
TERMINAL, auto fuse, 18 ga.
35
CONNECTOR, receptacle, 3-way
36
TERMINAL, female, 14-16 ga.
37
TERMINAL., male, 14-16 ga
38
WIRE SEAL, 14 ga.
39
SECONDARY LOCK, 3-way
40
72266-94
DUAL WALL SHRINK TUBE, .300 X
41
HEAT SHRINK TUBE, .45" x 2"
42
SEAL, cable
43
72290-94
TERMINAL, .25 OF, INSULATED
44
72340-94
PLUGIN FUSE, 10 AMP
45
73102-96BK
TAB HOUSING, 2-POSITION
46
73110-96BK
TAB HOUSING, 10-POSITION
47
73153-96BK
RECEPTACLE, HOUSING, 3-POSITIO
48
73156-96BK
RECEPTACLE, HSG, 6-POSITION SI
49
73190-96
TAB TERMINAL, 20-16 GA
50
73191-96
RECEPTACLE, CONTACT, 20-16 GA
51
72347-94
Fusible (15A)

Узлы для