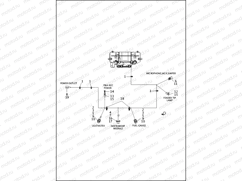
WIRING HARNESS, FAIRING - FLHTP (2 OF 2)

WIRING HARNESS, FAIRING - FLHTP (2 OF 2)
0
69200-123
WIRE HARNESS,FAIRING
1
10177
CABLE STRAP, PLUG IN
2
72066-06A
HOUSING,4-WAY SOCKET
3
72097-06
CAVITY PLUG, OVAL, ORANGE
4
72130-04
HOUSING, 12-WAY
5
72135-06
SECONDARY LOCK, 4-WAY, FEMALE,
6
72168-07
TERMINAL, SOCKET #18-20 AWG
7
72189-04
SEAL PIN
8
72264-94
TERMINAL, 18-200GA
9
72484-08
TERMINAL, SOCKET, #20AWG
10
72486-08
WIRE SEAL, #20AWG
11
72514-07GY
HOUSING, 3-WAY SOCKET, GRAY
12
73101-96BK
TAB HOUSING, 2-POSITION
13
73102-96BK
TAB HOUSING, 2-POSITION
14
73152-96BK
RECEPTACLE, HOUSING, 2-POSITIO
15
73190-96
TAB TERMINAL, 20-16 GA
16
74196-04
TERMINAL SOCKET
17
74197-04
SECONDARY LOCK
18
12500-002
CABLE STRAP,XMAS,2-PIECE
19
69200-337
HOUSING,2-WAY SOCKET

Узлы для