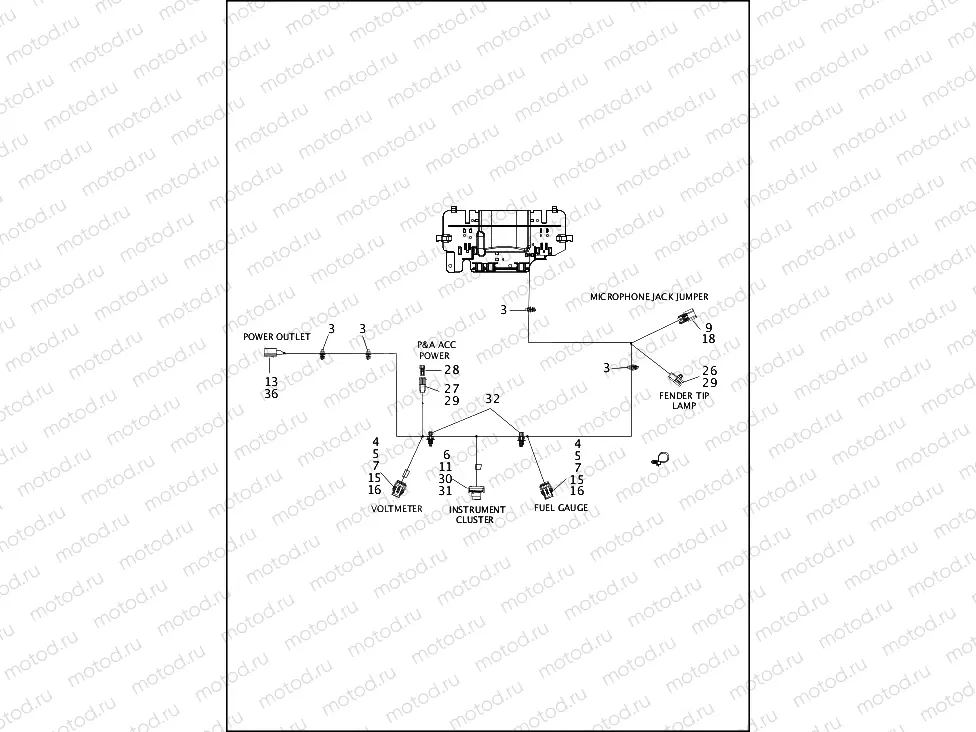
WIRING HARNESS, FAIRING - FLHTP (2 OF 2)

WIRING HARNESS, FAIRING - FLHTP (2 OF 2)
0
69200-123
WIRE HARNESS,FAIRING
Цена по
запросу
19
72610-08
SEAL, CABLE #18-20 AWG, WHITE
Цена по
запросу
20
72902-01BK
PIN HOUSING, 2-WAY
Цена по
запросу
21
72905-11
HOUSING,2-WAY PIN
Цена по
запросу
22
72907-11
HOUSING, 4-WAY PIN
Цена по
запросу
23
72909-11
TERMINAL, PIN, #20-22AWG
Цена по
запросу
24
72912-01BK
SOCKET HOUSING, 2-WAY
Цена по
запросу
25
72991-01
pc - TERMINAL SOCKET
Цена по
запросу
26
73101-96BK
TAB HOUSING, 2-POSITION
Цена по
запросу
27
73102-96BK
TAB HOUSING, 2-POSITION
Цена по
запросу
28
73152-96BK
RECEPTACLE, HOUSING, 2-POSITIO
Цена по
запросу
29
73190-96
TAB TERMINAL, 20-16 GA
Цена по
запросу
30
74196-04
TERMINAL SOCKET
Цена по
запросу
31
74197-04
SECONDARY LOCK
Цена по
запросу
32
12500-002
CABLE STRAP,XMAS,2-PIECE
Цена по
запросу
33
69200-109
CADDY,FRNG-HARNESS
Цена по
запросу
34
69200-254
CONNECTOR, HOUSING 4 WAY SOCKE
Цена по
запросу
35
69200-256
LOCK, SECONDARY, 4WAY
Цена по
запросу
36
69200-337
HOUSING,2-WAY SOCKET
Цена по
запросу

Узлы для