WATER PUMP

WATER PUMP
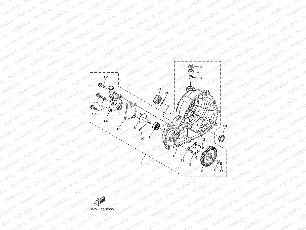
1
1WD-E2420-00
Помпа охлаждения в сборе
29 956 ₽
2
1WD-E5421-00
Корпус помпы охлаждения
20 798 ₽
3
93317-11096
Подшипник
906 ₽
4
93315-21570
Подшипник
874 ₽
5
93102-15801
Сальник
191 ₽
6
1WD-E2450-00
Крыльчатка помпы охлаждения
2 845 ₽
7
1WD-E2453-00
Gear
4 563 ₽
8
33S-E2223-00
Уплотнение
5 650 ₽
9
33S-E2456-00
Шайба
120 ₽
10
1WD-E319L-00
Штифт
350 ₽
11
99009-08400
Стопор
159 ₽
12
1WD-E2681-00
Пластина
747 ₽
13
91317-06010
Болт
95 ₽
14
1WD-E2422-00
Крышка помпы охлаждения
5 820 ₽
15
1WD-E2428-00
Прокладка крышки помпы
509 ₽
16
90430-06014
Прокладка
120 ₽
17
95022-06025
Болт
152 ₽
18
2H7-15361-00
Окошко уровня масла
2 734 ₽
19
1WD-E5362-00
Пробка масляная
509 ₽
20
93210-27807
Кольцо уплотнительное
120 ₽

Узлы для