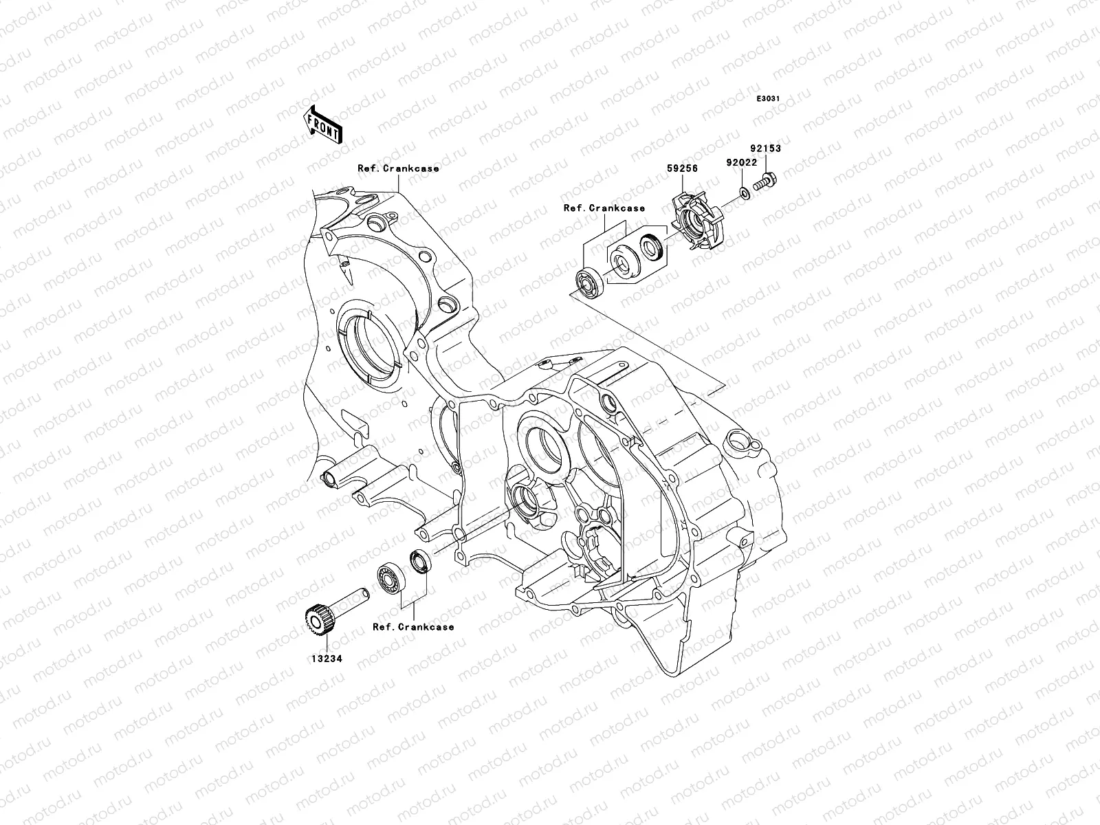
Water Pump

Water Pump
13234
13234-0001
SHAFT-COMP
6 689 ₽
59256
59256-0002
IMPELLER
3 046 ₽
92022
92022-077
10 pc - Rondelle
238 ₽
92153
92153-0323
BOLT,LEFT HANDED,6X16
113 ₽

Узлы для