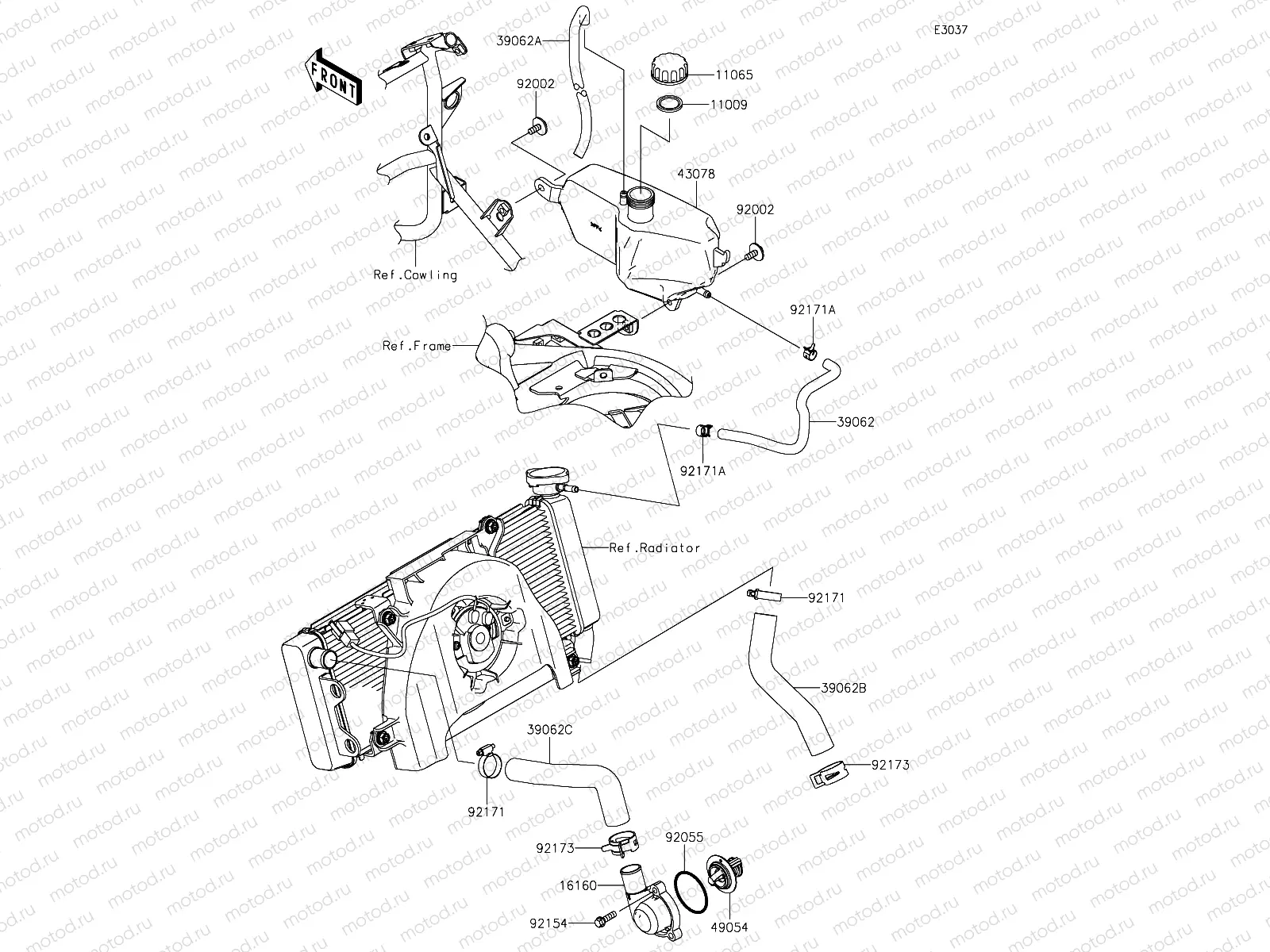
Water Pipe

Water Pipe
11009
11009-1145
Gasket
193 ₽
11065
11065-0969
CAP
289 ₽
16160
16160-0793
BODY,THERMO
39062
39062-0163
HOSE-COOLING,RAD-RESERVO
443 ₽
39062
39062-0716
HOSE-COOLING,BREATHER
925 ₽
39062
39062-0752
HOSE-COOLING,W/PUMP-RADI
983 ₽
39062
39062-0776
HOSE-COOLING,HEAD-RADIAT
983 ₽
43078
43078-0614
RESERVOIR
2 871 ₽
49054
49054-0001
Thermostat
1 880 ₽
92002
92002-1188
Vis (6x16)
257 ₽
92055
92055-0160
O-Ring (44.7X2.4)
97 ₽
92154
92154-1778
Vis
128 ₽
92171
92171-0337
Collier
546 ₽
92171
92171-1992
CLAMP,10.5X8X0.7
289 ₽
92173
92173-1416
Collier
208 ₽

Узлы для