VERGASER

VERGASER
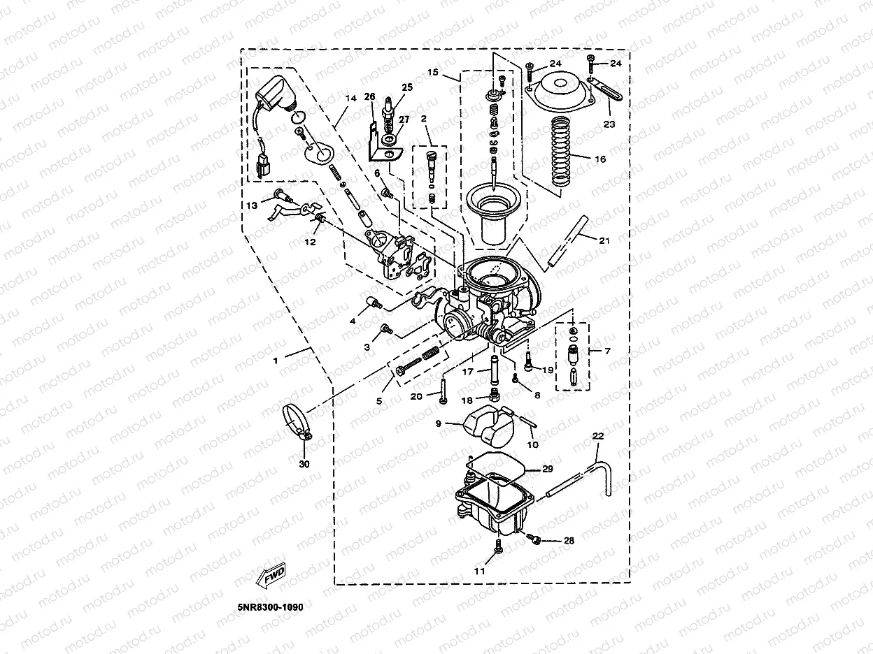
1
5KD-14301-01
Carburettor
Цена по
запросу
2
5DS-14105-00
・pilot Screw Set
1 561 ₽
3
97801-05010
Винт
95 ₽
4
4KL-14429-00
Vis
Цена по
запросу
5
5DS-1490K-00
top Screw Set
1 174 ₽
6
214-24535-00
Винт
302 ₽
7
4KL-14390-00
Клапан
5 593 ₽
8
98980-04006
Винт
152 ₽
9
25N-14385-00
Поплавок
5 805 ₽
10
4FP-14386-00
Ось поплавка
906 ₽
11
98517-04012
Винт
95 ₽
12
4KL-14555-00
Spring
Цена по
запросу
13
4KL-14486-01
Vis
Цена по
запросу
14
5KD-14380-01
PRIME STARTER ASSY
Цена по
запросу
15
5KD-1434A-10
iaphragme de carburateur
Цена по
запросу
16
30X-14286-00
Пружина
1 462 ₽
17
5DS-14341-00
NOZZLE, MAIN
Цена по
запросу
18
50M-14343-57
Jet, Main
1 248 ₽
19
38V-14342-18
Жиклерпроводник
1 876 ₽
20
50M-14355-01
ПРОБКА
232 ₽
21
4KL-14197-00
PIPE
Цена по
запросу
22
4TU-14349-01
PIPE
Цена по
запросу
23
4KL-14415-00
Скоба
493 ₽
24
5J3-14191-00
Заглушка дренажная
1 108 ₽
25
5FU-83790-00
Подогреватель (15W)
2 909 ₽
26
5FU-82103-00
Контакт
191 ₽
27
90201-08016
Шайба
175 ₽
28
4KL-14115-00
Plug, Drain
1 030 ₽
29
4KL-14384-00
Прокладка камеры
2 273 ₽
30
5CA-E3575-00
Band
525 ₽

Узлы для