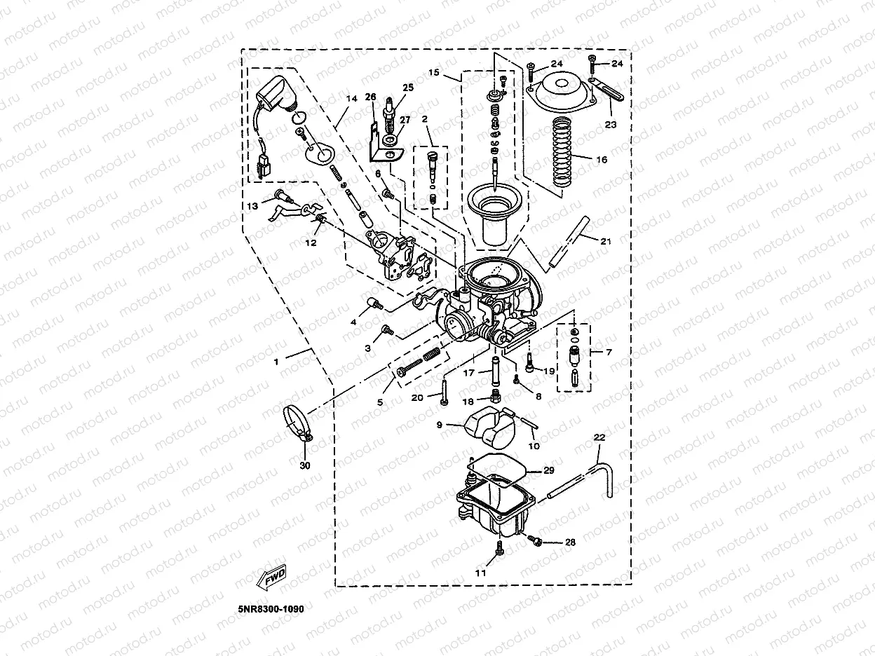
VERGASER

VERGASER
1
5DS-14301-03
Carburettor
2
5DS-E4105-00
Jeu de vis
3
97801-05010
Винт
95 ₽/шт
4
4KL-E4429-00
Vis
5
5DS-E490K-00
Vis
6
214-24535-00
Винт
302 ₽/шт
7
4KL-E4390-20
NEEDLE VALVE ASSY
8
98980-04006
Винт
152 ₽/шт
9
25N-14385-00
Поплавок
5 805 ₽/шт
10
4FP-14386-00
Ось поплавка
906 ₽/шт
11
98517-04012
Винт
95 ₽/шт
12
4KL-E4555-00
Spring
13
4KL-14486-01
Vis
14
5DS-14380-02
Prime Starter Assy
30 020 ₽/шт
15
5DS-E434A-00
SUCTION PISTON ASSY
16
30X-E4286-00
Spring
17
5DS-E4341-00
NOZZLE, MAIN
18
50M-E4343-58
Jet principal
19
38V-E4342-19
Idle jet
20
50M-E4355-00
Nozzle, Main 2
344 ₽/шт
21
4KL-E4197-00
PIPE
22
4TU-E4349-00
PIPE
23
4KL-E4415-00
HOLDER, WIRE
24
5J3-E4191-00
Vis
25
5FU-83790-00
Подогреватель (15W)
2 909 ₽/шт
26
3BT-H2103-00
TERMINAL 1
27
90201-08016
Шайба
175 ₽/шт
28
4KL-14115-00
Plug, Drain
1 030 ₽/шт
29
4KL-14384-00
Прокладка камеры
2 273 ₽/шт
30
5CA-E3575-00
Band
525 ₽/шт

Узлы для