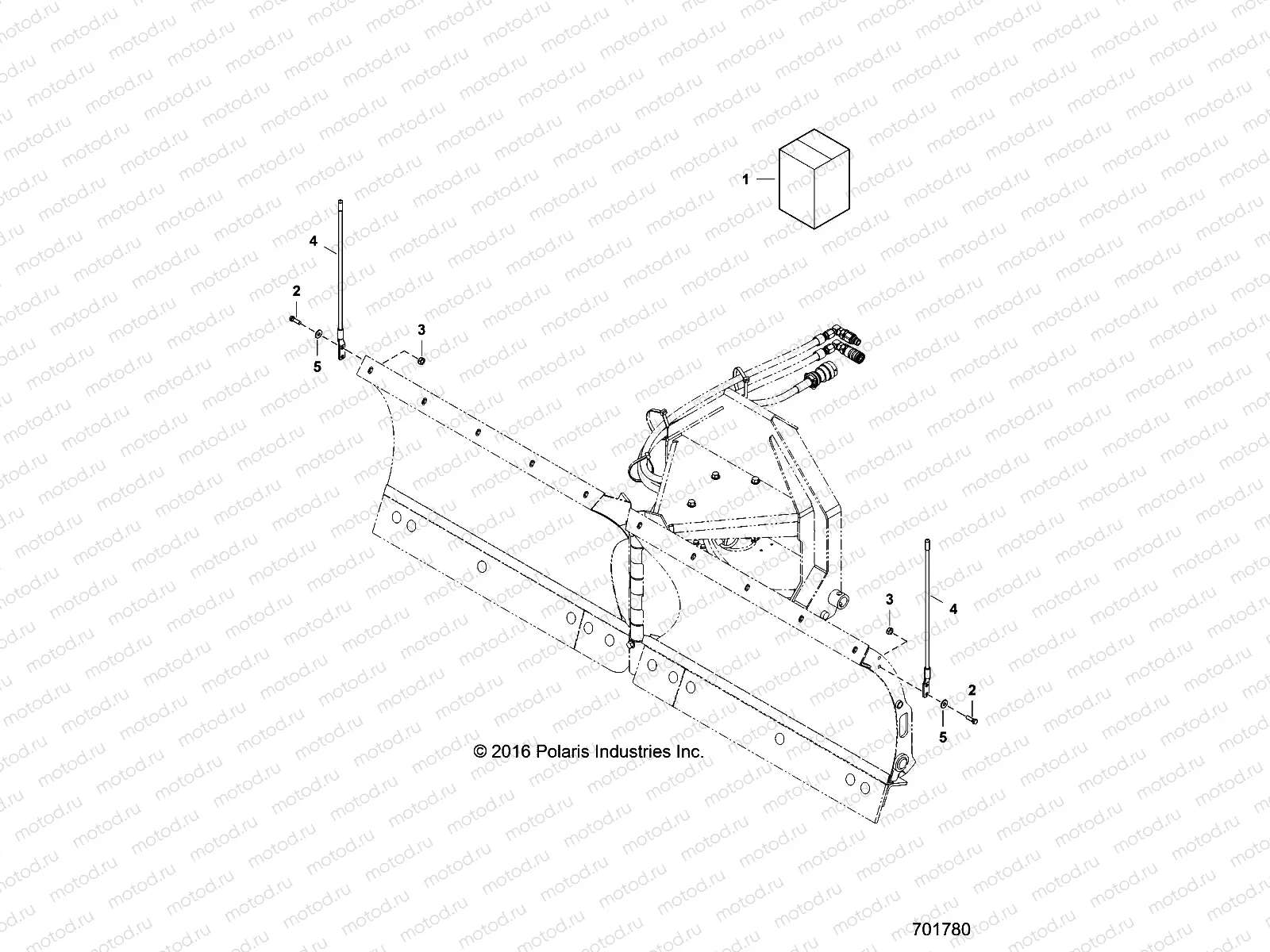
V-BLADE | V-BLADE, ROD INDICATOR KIT - D17B3/4PD1AJ (701780)

V-BLADE | V-BLADE, ROD INDICATOR KIT - D17B3/4PD1AJ (701780)
1
3120260
KIT-ROD INDICATOR
Цена по
запросу
2
3120536
Vis
Цена по
запросу
3
3120581
Nut
Цена по
запросу
4
LR--
CALIPER, BRAKE, RH
Цена по
запросу
5
3121125
Rondelle
Цена по
запросу

Узлы для