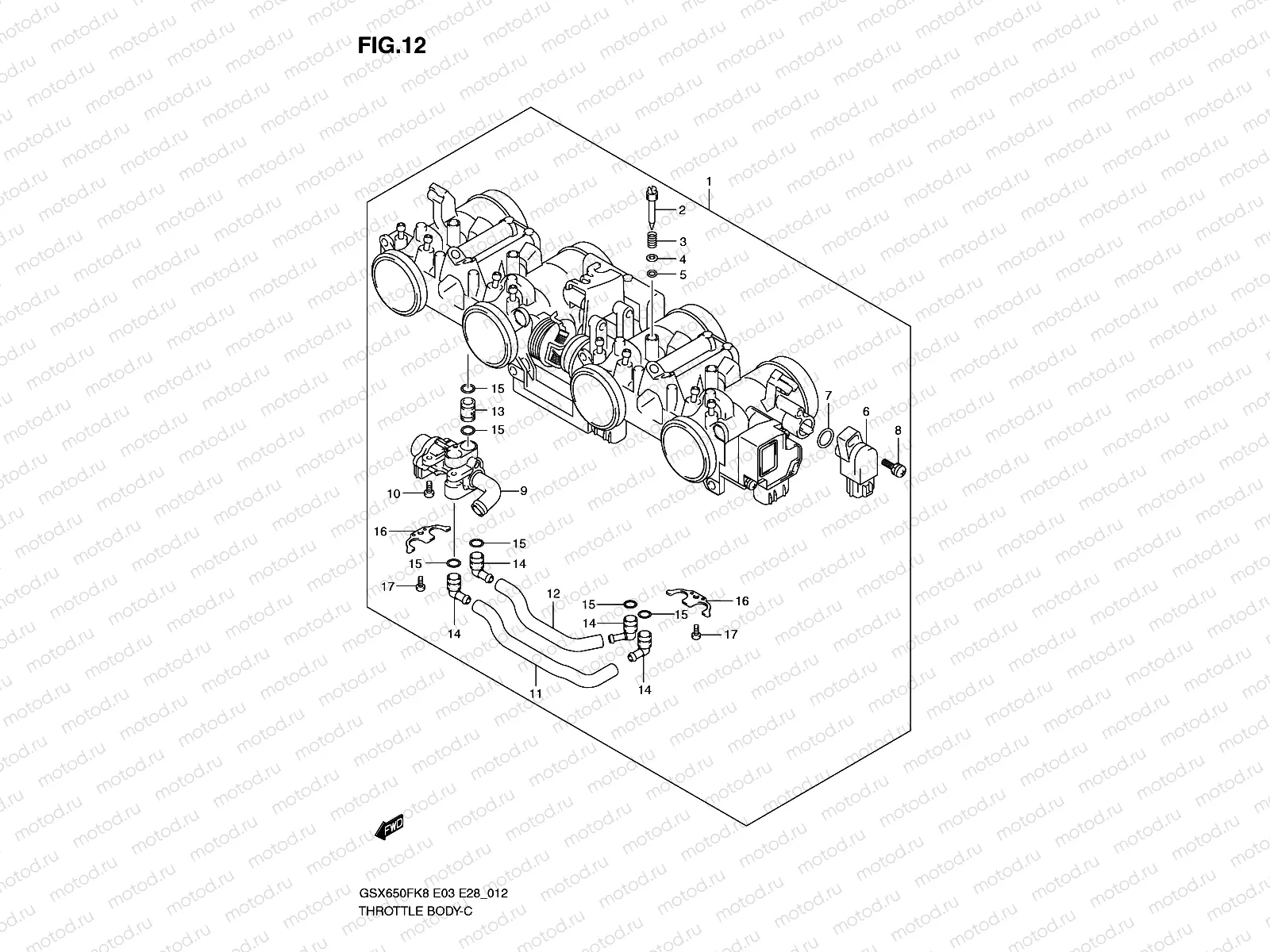
THROTTLE BODY

THROTTLE BODY
1
13405-17H30
Body assy, throttle (e33)
Цена по
запросу
1 шт. в узле в узле
1
13405-17H20
Корпус дросселя
150 586 ₽ 1 шт. в узле в узле
2
13269-33E00
Болт
653 ₽ 4 шт. в узле в узле
3
13268-48700
Пружина
210 ₽ 4 шт. в узле в узле
4
13606-47A00
Шайба
162 ₽ 4 шт. в узле в узле
5
13295-29901
O-Ring, Pilot Air Screw
210 ₽ 4 шт. в узле в узле
6
13580-18H00
Датчик
11 730 ₽ 1 шт. в узле в узле
7
13575-29G00
O-Ring
Цена по
запросу
1 шт. в узле в узле
8
13605-02F00
Болт
170 ₽ 1 шт. в узле в узле
9
18117-18H01
ACTUATOR,ISC
25 024 ₽ 1 шт. в узле в узле
10
13605-18H00
Болт
203 ₽ 2 шт. в узле в узле
11
13698-18H21
ose
4 027 ₽ 1 шт. в узле в узле
12
13698-18H31
ose
4 145 ₽ 1 шт. в узле в узле
13
13682-18H00
PIPE
493 ₽ 2 шт. в узле в узле
14
13685-18H00
Золотник
602 ₽ 4 шт. в узле в узле
15
13679-18H00
O RING
414 ₽ 6 шт. в узле в узле
16
13691-18H00
PLATE
414 ₽ 2 шт. в узле в узле
17
02112-0408B
Болт
940 ₽ 2 шт. в узле в узле

Узлы для