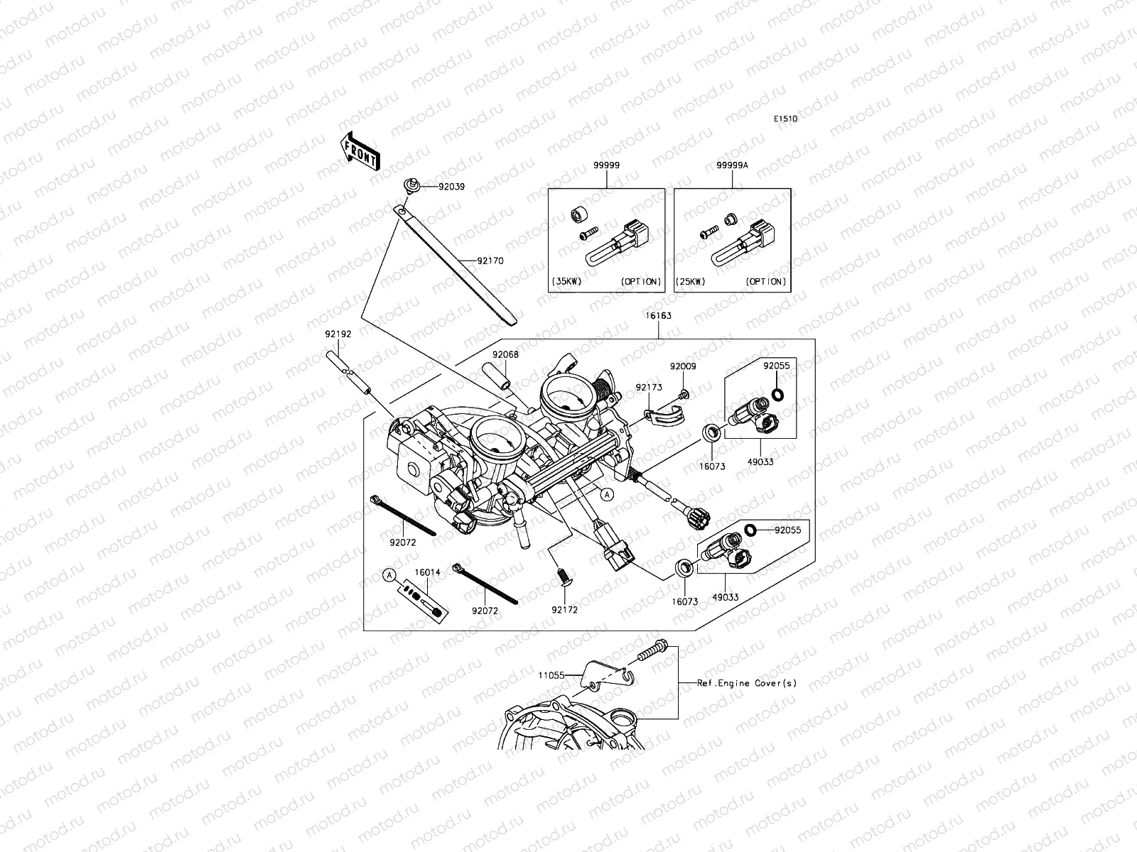
Throttle

Throttle
11055
11055-1002
BRACKET
867 ₽
16014
16014-0002
SCREW-PILOT AIR (PILOT AIR)
1 510 ₽
16073
16073-3707
INSULATOR
342 ₽
16163
16163-0713
THROTTLE-ASSY,TTK38
94 077 ₽
49033
49033-0011
NOZZLE-INJECTION
7 454 ₽
92009
92009-1860
SCREW
128 ₽
92039
92039-0068
RIVET
128 ₽
92055
92055-1622
O-Ring (INJECTION NOZZLE)
119 ₽
92068
92068-006
RUBBER PLUG
257 ₽
92072
92072-0012
BAND,SUB-HARNESS
257 ₽
92170
92170-1114
CLAMP
466 ₽
92172
92172-0064
5 pc - SCREW,PIPE INJECTION
128 ₽
92173
92173-0288
Collier
305 ₽
92192
92192-0977
TUBE,3X6.7X300
241 ₽
99999
99999-0355
KIT.,35KW ER650F_EX650F
1 870 ₽
99999
99999-0356
KIT.,25KW ER650F_EX650F
1 870 ₽

Узлы для