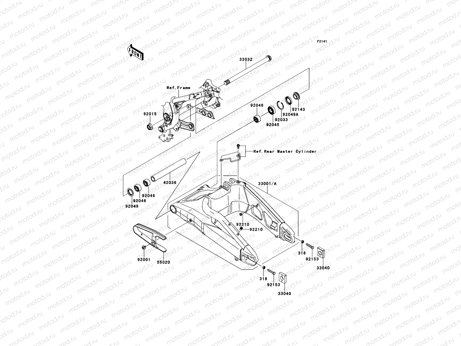
Swingarm

Swingarm
318
318BB-0800
5 pc - Nut
97 ₽/шт
33001
33001-0736-458
ARM-COMP-SWING,P.SILVER
33032
33032-1142
SHAFT-SWING ARM
6 941 ₽/шт
33040
33040-1109
ADJUSTER-CHAIN
1 349 ₽/шт
42036
42036-1358
SLEEVE,SWING ARM,L=21
4 772 ₽/шт
55020
55020-0234
GUARD,CHAIN
2 930 ₽/шт
92001
92001-1950
Vis (6x16)
253 ₽/шт
92015
92015-1724
NUT,FLANGED,20MM
867 ₽/шт
92033
92033-1041
CIRCLIP,42MM
312 ₽/шт
92045
92045-0017
Roulement
916 ₽/шт
92046
92046-0008
Needle bearing
1 413 ₽/шт
92049
92049-1181
Joint
684 ₽/шт
92049
92049-1185
SEAL-OIL,TC28426.5
675 ₽/шт
92143
92143-1727
COLLAR,SWING ARM,RH,L
1 172 ₽/шт
92153
92153-0736
Vis (8x40)
225 ₽/шт
92210
92210-1397
AUT,POP,6MM,L=15
274 ₽/шт

Узлы для