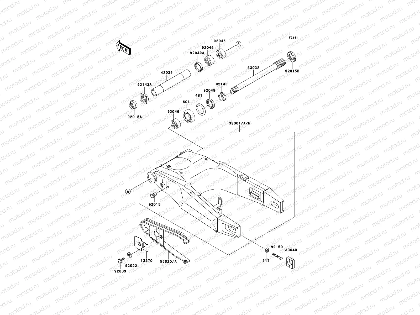
Swingarm

Swingarm
317
317BA-0800
NUT-HEX-SMALL,8MM
97 ₽/шт
481
92033-1042
CIRCLIP,47M/M
338 ₽/шт
601
601B6-005U
Roulement
1 012 ₽/шт
33001
33001-1481-GD
ARM-COMP-SWING,G.GRAY
33032
33032-1173
SHAFT-SWING ARM
10 619 ₽/шт
33040
33040-1114
ADJUSTER-CHAIN
1 302 ₽/шт
42036
42036-1312
SLEEVE,SWING ARM,L=22
4 772 ₽/шт
55020
55020-1532
GUARD,CHAIN
92009
92009-3805
5 pc - Vis
253 ₽/шт
92015
92015-1792
NUT,POP,6MM,L=16.5
274 ₽/шт
92015
92015-1845
NUT,FLANGED,25MM
1 413 ₽/шт
92015
92015-1930
NUT,FRAME PIVOT,32MM
92022
92022-1143
10 pc - Rondelle
238 ₽/шт
92046
92046-1205
Needle bearing
2 008 ₽/шт
92049
92049-1381
SEAL-OIL,MHA 35 47 5
756 ₽/шт
92049
92049-1419
SEAL-OIL,KC 38 45 6
900 ₽/шт
92143
92143-1481
COLLAR,SWING ARM,RH,L
1 687 ₽/шт
92143
92143-1681
COLLAR,SWING ARM,LH,L
92150
92153-1407
5 pc - Vis (8x55)
97 ₽/шт

Узлы для