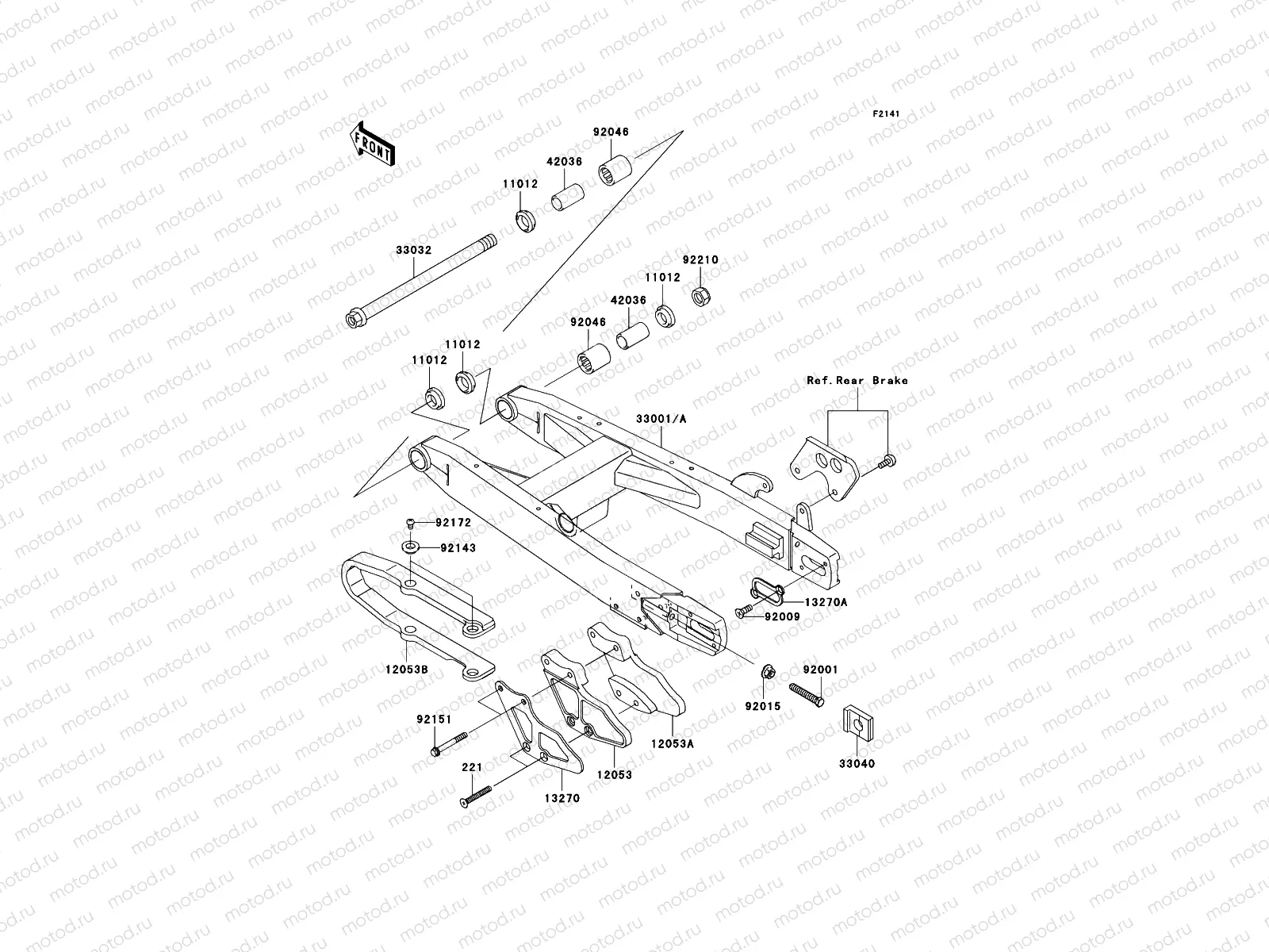
Swingarm

Swingarm
221
221AA-0645
SCREW-CSK-CROS,6X45
113 ₽
11012
11012-1263
CAP
1 092 ₽
12053
12053-0209
GUIDE-CHAIN,RR,LH
5 510 ₽
12053
12053-0210
GUIDE-CHAIN,RR,RH
5 510 ₽
12053
12053-1414
Guard chain sliding shoe
2 683 ₽
13270
13272-1446
PLATE,GUIDE CHAIN
1 493 ₽
13270
13270-1899
PLATE
434 ₽
33001
33001-1543-458
ARM-COMP-SWING,P.SILV
69 401 ₽
33032
33032-1161
SHAFT-SWING ARM
2 136 ₽
33040
33040-0039
ADJUSTER-CHAIN
675 ₽
42036
42036-1067
SLEEVE,SWING ARM,L=34
723 ₽
92001
92001-1179
Vis (8x46)
1 141 ₽
92009
92009-1828
Vis (5x10)
128 ₽
92015
92015-1014
pc - Nut
238 ₽
92046
92046-1046
Needle bearing
2 072 ₽
92143
92143-1676
Entretoise
338 ₽
92151
92151-1234
Vis (6x50)
128 ₽
92172
92172-0119
5 pc - Vis
97 ₽
92210
92210-1249
NUT,LOCK,12MM
385 ₽

Узлы для