SWING ARM WELDMENT(REAR) 6X6 (4919811981029A) | SWING ARM WELDMENT(REAR) 6X6 (4919811981029A)

SWING ARM WELDMENT(REAR) 6X6 (4919811981029A) | SWING ARM WELDMENT(REAR) 6X6 (4919811981029A)
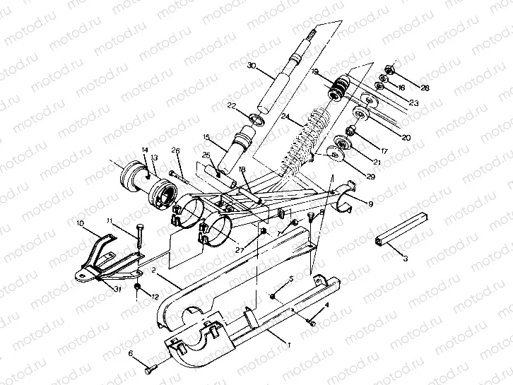
1
1040184
GUARD, CHAIN, WELD. Substituted by 1040184-067
Цена по
запросу
2
5431101
GUARD TOP CHAIN
Цена по
запросу
3
5521207
GUIDE, R.CHAIN
Цена по
запросу
4
7511987
SCREW(10)
Цена по
запросу
5
7541925
NUT NYLOK 10-24 Y
Цена по
запросу
6
7512325
Vis
Цена по
запросу
7
7542327
NUT NYLOK
Цена по
запросу
8
7512252
SCREW(10)
Цена по
запросу
9
1580036
S.ARM EXT. WELD. Substituted by 1580036-067
Цена по
запросу
10
2873036
HITCH ATV CHAIN DRVN
Цена по
запросу
11
7512569
BOLT(10)
Цена по
запросу
12
7542522
NUT FLANGE
Цена по
запросу
13
5130663
HOUSING, AXLE
Цена по
запросу
14
7080306
FITTING LUBE.W/BALL CK.
Цена по
запросу
15
1580051-132
STRUT&SHOCK ASM,REAR Substituted by 1580051-132
Цена по
запросу
16
7555749
Rondelle
Цена по
запросу
17
5130631
SPACER, THREADED
Цена по
запросу
18
5332971
Entretoise
Цена по
запросу
19
5412529
BUMPER-MCU 19.1MM ID
Цена по
запросу
20
5432872
PIVOT BALL TOP
Цена по
запросу
21
5432871
PIVOT BALL BOTTOM
Цена по
запросу
22
5431113
BUSHING
Цена по
запросу
23
5810291
SPACER RUBBER
Цена по
запросу
24
7041204-067
SPRING COMP REAR
Цена по
запросу
25
7080561
FITTING LUB/VEN
Цена по
запросу
26
7512531
Vis
Цена по
запросу
27
7542503
NUT FLEXLOCK
Цена по
запросу
28
7542507
NUT FLEX LOC
Цена по
запросу
29
7555740
Rondelle
Цена по
запросу
30
1580051-067
STRUT, REAR
Цена по
запросу
31
7072533
"""DECAL HITCH"""
Цена по
запросу

Узлы для