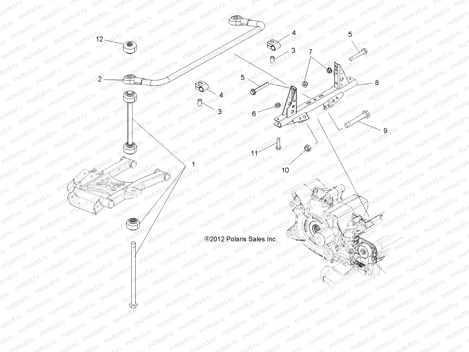
SUSPENSION | SUSPENSION, TORSION BAR - A08DN50EA (49ATVTORSION08SPX25)

SUSPENSION | SUSPENSION, TORSION BAR - A08DN50EA (49ATVTORSION08SPX25)
1
1542315
ASM-LINKAGE STAB BAR 284.5MM
Цена по
запросу
2
1542226-067
WELD-TORSION BAR BLK
Цена по
запросу
3
5135206
BUSHING-.282 X.500 X.895
Цена по
запросу
4
5436348
BUSHING-STABILIZER
Цена по
запросу
5
7518340
BOLT-5/16-18X2-1/4 HXFLNG GR5
Цена по
запросу
6
7542122
NUT-NYLOK
Цена по
запросу
7
7542343
NUT FLANGE
Цена по
запросу
8
1542305-067
WELD-MNT TORSION BLK
Цена по
запросу
9
7517642
Vis
Цена по
запросу
10
7547180
NUT-FLANGED 3/8-16 NYLON-Z (10
Цена по
запросу
11
7512130
Vis
Цена по
запросу
12
5436968
BUSHING-LINKAGE TORSION BAR
Цена по
запросу

Узлы для