SUSPENSION | SUSPENSION, STABILIZER BAR, REAR - Z18VHA57B2 (701890)

SUSPENSION | SUSPENSION, STABILIZER BAR, REAR - Z18VHA57B2 (701890)
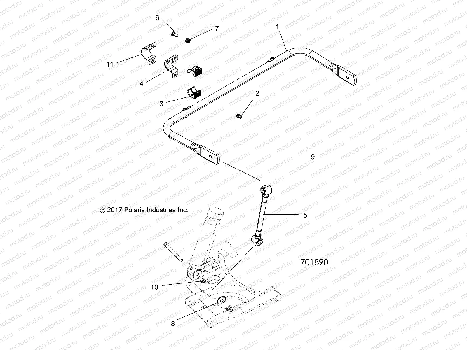
1
5340745-458
BAR-STABILIZER REAR BLK
Цена по
запросу
2
7080433
FITTING LUBRICATION THREADED(1
Цена по
запросу
3
5454545
BUSHING-7/8IN
Цена по
запросу
4
5270849
BRKT-BUSHING
Цена по
запросу
5
1544039
ASM-LINKAGE STABILIZER BAR
Цена по
запросу
6
7520298
SCR-RHCAR-M8X1.25X25 10.9 ZB3
Цена по
запросу
7
7547332
NUT-M8X1.25 FLG NYLOC-OLIVE D
Цена по
запросу
8
7555852
WASHER FLAT
Цена по
запросу
9
5416013
BUSHING-LNKG TORBAR DURO80
Цена по
запросу
10
5334945
SPACER-.625X.407X.375
Цена по
запросу
11
5256741
SHIELD-BUSHING
Цена по
запросу

Узлы для