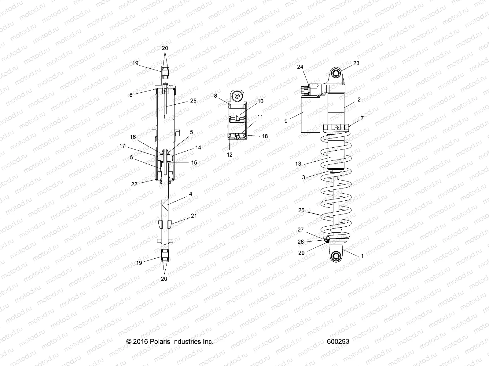
SUSPENSION | SUSPENSION, SHOCK, REAR TRACK (7044563) - S21DDL8RS ALL OPTIONS (600293)

SUSPENSION | SUSPENSION, SHOCK, REAR TRACK (7044563) - S21DDL8RS ALL OPTIONS (600293)
0
7044563
SHOCK-R/T W/E CC
Цена по
запросу
1
1800762
LOOP SHAFT W/RING 1000660-AB
Цена по
запросу
2
1800771
BODY RT BLK 8.63L 1500154-AB
Цена по
запросу
3
1800414
ASM. SEAL HEAD (1004157)
Цена по
запросу
4
1800768
SHAFT NDL RT .052BLD 1600040
Цена по
запросу
5
1800031
/8 CRIMP NUT
Цена по
запросу
6
1800377
SPACER SHAFT .850 (900800)
Цена по
запросу
7
1800372
NUT SPRING LOCK (900345)
Цена по
запросу
8
1800030
O-RING BODY
Цена по
запросу
9
1800419
BODY RES 3.75L BLK(1020334)
Цена по
запросу
10
1800739
ASM IFP PISTON 1.75BLD 0624204
Цена по
запросу
11
1800767
ASM END CAP BLK 1024207-AB
Цена по
запросу
12
1800159
RING-SNAP
Цена по
запросу
13
1800133
SLEEVE-WEAR
Цена по
запросу
14
1800297
WEAR BAND TEFLON (100311)
Цена по
запросу
15
1800204
Rondelle
Цена по
запросу
16
1800050
3/8 AN WASHER
Цена по
запросу
17
1800001
PISTON CONVEX
Цена по
запросу
18
1800184
O-Ring
Цена по
запросу
19
1800040
END BEARING
Цена по
запросу
20
1800041
END CAP SNAP RING
Цена по
запросу
21
1800462
BUMPER .62 SHAFT (1100100)
Цена по
запросу
22
1800027
O-RING BODY
Цена по
запросу
23
1800769
PIGGYBACK HSLS BLK 1500347-AB
Цена по
запросу
24
1800744
ASM ADJ. H/L SPEED 1504351
Цена по
запросу
25
1800770
NEEDLE ASM. 0604339
Цена по
запросу
26
7044625-458
SPRG-COMP.362X11.50 130# MBLK
Цена по
запросу
27
5137541
RETAINER-THRUST BEARING
Цена по
запросу
28
3514706
BRG-THRST 64.85ODX44.31IDX3.94
Цена по
запросу
29
5137540
RETAINER-SPRING SLOTTED
Цена по
запросу

Узлы для