SUSPENSION | SUSPENSION, REAR SHOCK MOUNTING - Z14JT87AD/9EAO/9EAOL/9EAL (49RGRSHOCKMTGRR11RZR875)

SUSPENSION | SUSPENSION, REAR SHOCK MOUNTING - Z14JT87AD/9EAO/9EAOL/9EAL (49RGRSHOCKMTGRR11RZR875)
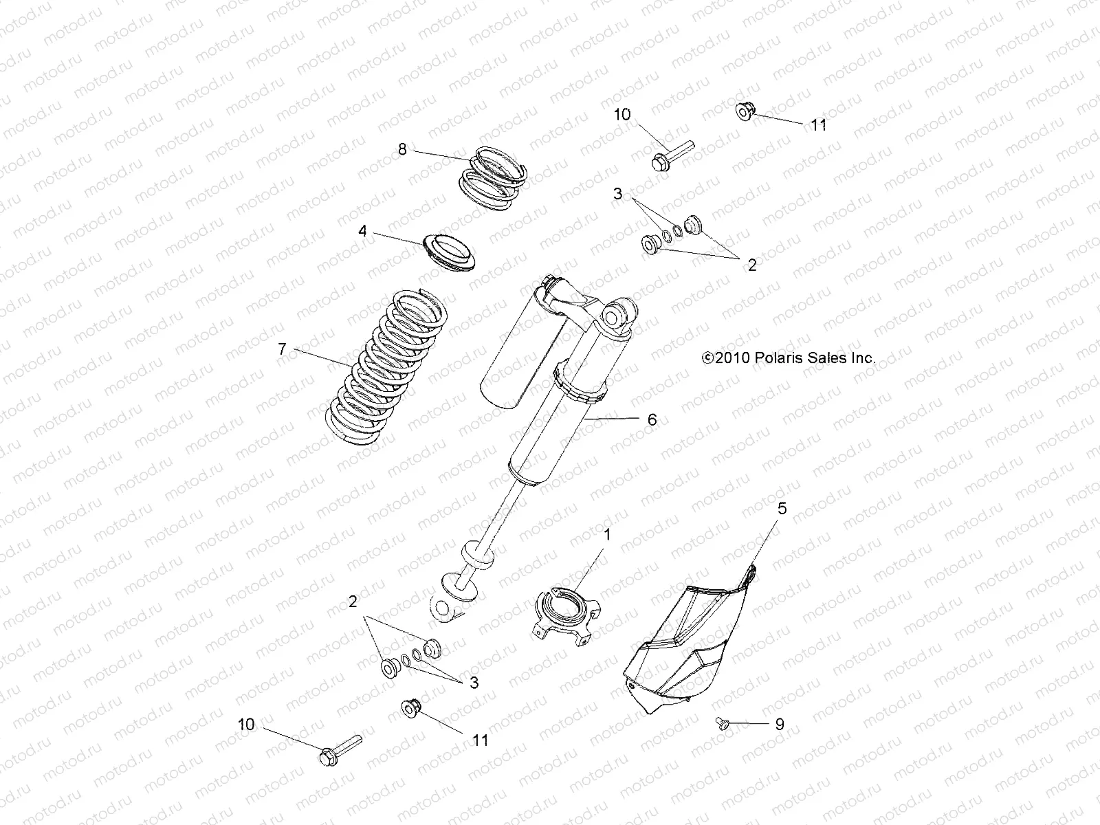
1
5137646
RETAINER-SPRING TR ARM REAR
Цена по
запросу
2
5336716
BUSHING-REDUCER 9/16 INX12MM
Цена по
запросу
3
5412290
O-RING 0.600IDX.210
Цена по
запросу
4
5438839
SPACER-SPRING NYLON 2
Цена по
запросу
5
5438873-070
GUARD-SHOCK ROD REAR BLK
Цена по
запросу
6
7043920
SHOCK-REAR FOX 2.0
Цена по
запросу
7
7043596-293
SPRING-REAR INDY RED
Цена по
запросу
7
7043596-589
SPRING-COMP 275 ORNG MAD
Цена по
запросу
7
7043596-458
SPRING-COMP 275 BLK
Цена по
запросу
8
7043675-589
SPRING-COMP 350 ORNG MAD
Цена по
запросу
8
7043675-458
SPRING-COMP 350 BLK
Цена по
запросу
8
7043675-293
SPRING-REAR I. RED
Цена по
запросу
9
7512084
Vis
Цена по
запросу
10
7519138
SCR-HXFL-M12X1.5X60 10.9 ZOD
Цена по
запросу
11
7547334
NUT-M12X1.5 FLG NYLOC-OLIVE D
Цена по
запросу

Узлы для