SUSPENSION | SUSPENSION, REAR - R16RTAD1A1/E1 (700366)

SUSPENSION | SUSPENSION, REAR - R16RTAD1A1/E1 (700366)
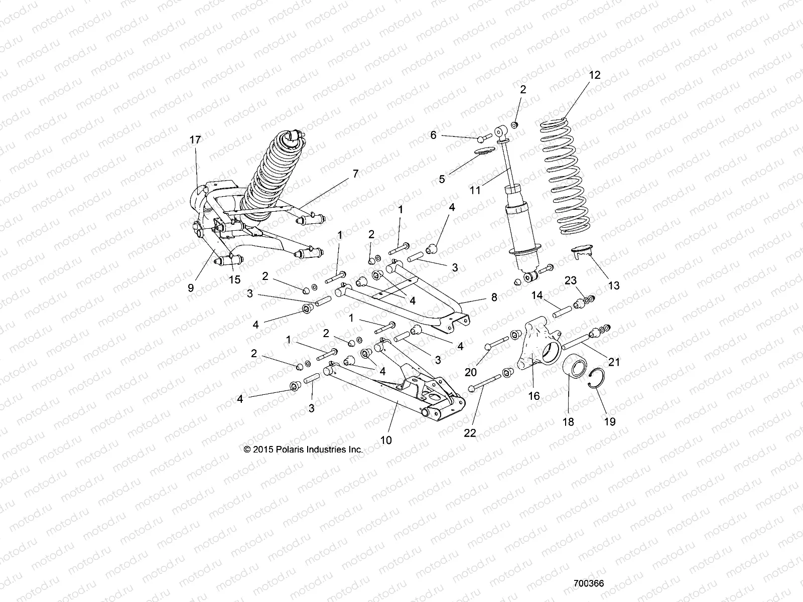
1
7519043
SCR-HXFL-M10X1.25X95 10.9 ZOD(
Цена по
запросу
2
7547333
NUT-M10X1.25 FLG NYLOC-OLIVE D
Цена по
запросу
3
5138797
SHAFT-PIVOT 70.99MM 15.88OD
Цена по
запросу
4
1543367
ASM-BUSHING HD W/SEAL 5.23 FLG
Цена по
запросу
4
5439874
BUSHING-STANDARD ORV
Цена по
запросу
5
5251753
RETAINER-SPRING STEEL
Цена по
запросу
6
7519306
SCR-HXFL-M10X1.25X60 10.9 ZOD
Цена по
запросу
7
1018466-458
WELD-CONTROL ARM RR UPR RH BLK
Цена по
запросу
8
1018465-458
WELD-CONTROL ARM RR UPR LH BLK
Цена по
запросу
9
1018461-458
WELD-CONTROL ARM RR LWR RH BLK
Цена по
запросу
10
1018460-458
WELD-CONTROL ARM RR LWR LH BLK
Цена по
запросу
11
7043753
SHOCK-REAR
Цена по
запросу
12
7044138-458
SPR-200-280# 12.4FL 2ID M.BLK
Цена по
запросу
13
5253768
CAM-ADJUSTING SPRING STEEL
Цена по
запросу
14
5138794
SHAFT-PIVOT 89.71MM 15.88OD
Цена по
запросу
15
7080510
FITTING ZERK 90 DEGREE
Цена по
запросу
16
5138501
CARRIER-BEARING WHEEL LH
Цена по
запросу
17
5138502
CARRIER-BEARING WHEEL RH
Цена по
запросу
18
3514635
BEARING-WHEEL 40X74X40MM
Цена по
запросу
19
7710440
RING RETAINING
Цена по
запросу
20
7519365
SCR-HXFL-M10X1.25X115 10.9 ZOD
Цена по
запросу
21
5138796
SHAFT-PIVOT 139.1MM 15.88OD
Цена по
запросу
22
7519042
SCR-HXFL-M10X1.25X165 10.9 ZOD
Цена по
запросу
23
7556153
WASHER 3/8 FW
Цена по
запросу

Узлы для