SUSPENSION | SUSPENSION, REAR and TRACK - S22CEU5TSL (601196)

SUSPENSION | SUSPENSION, REAR and TRACK - S22CEU5TSL (601196)
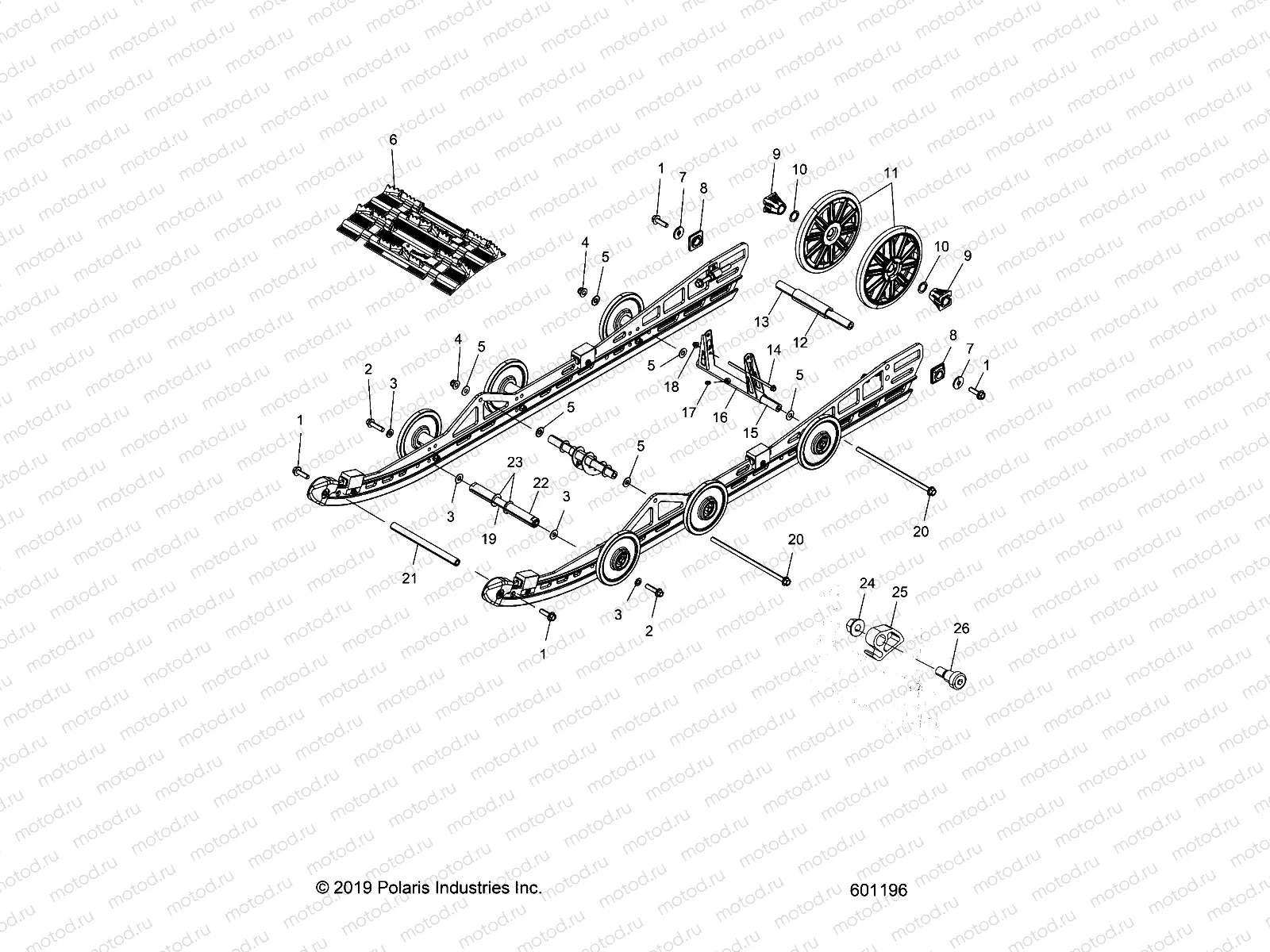
1
7518957
SCR-M10X1.5X35 HXFL ZOD P30
Цена по
запросу
2
7519216
SCR-HXFL-M10X1.5X40 10.9ZODP80
Цена по
запросу
3
7556153
WASHER 3/8 FW
Цена по
запросу
4
7547333
NUT-M10X1.25 FLG NYLOC-OLIVE D
Цена по
запросу
5
7556545
WSHR-10.5X24X1.2446 ZOD
Цена по
запросу
6
7547423
NUT-M10X1.5 HFN NYLOC ZOD
Цена по
запросу
6
5251273
CLIP-FLAT CAMOPLAST TRACK
Цена по
запросу
6
5251274
CLIP-GUIDE CAMOPLAST TRACK
Цена по
запросу
6
5416633
TRACK-15X144 1.75 BACKCOUNTRY
Цена по
запросу
7
7556490
WASHER-SPRING.406X1.25X.125ZOD
Цена по
запросу
8
5436496
SPACER-IDLER
Цена по
запросу
9
5432535
SPACER IDLER
Цена по
запросу
10
7555918
BUSHING
Цена по
запросу
11
1590499-070
ASM-WHEEL WEB 8.50 6004 BLK
Цена по
запросу
11
7710444
RING RETAINING
Цена по
запросу
11
3515142
BEARING-.7874X1.6535X.4724 NTN
Цена по
запросу
12
5333283
SPACER IDLER CTR.
Цена по
запросу
13
5137224
SHAFT-IDLER M10X1.5
Цена по
запросу
14
7519201
SCR-HXFL M6X1.0X150 8.8 ZOD
Цена по
запросу
15
5137418
SHAFT-CROSS RMK
Цена по
запросу
16
1544229-329
WELD-REAR PIVOT ARM ECOAT
Цена по
запросу
17
7080424
FITTING LUBRICATION
Цена по
запросу
18
7547332
NUT-M8X1.25 FLG NYLOC-OLIVE D
Цена по
запросу
19
5137312
SHAFT-17.450X214.77
Цена по
запросу
20
7519327
SCR-HXFL-M10X1.25X250 10.9 ZOD
Цена по
запросу
21
5136572
SFT-M10X1.5IDX17.47ODX220.1 LG
Цена по
запросу
22
5336325
SPACER-SHOCK CENTERING MET
Цена по
запросу
23
7556210
WSHR-.719X1.250X.065-Y
Цена по
запросу
24
7547180
NUT-FLANGED 3/8-16 NYLON-Z (10
Цена по
запросу
25
5142932
STOP-SCISSOR MACH
Цена по
запросу
26
7517607
BOLT SHOULDER
Цена по
запросу

Узлы для