SUSPENSION | SUSPENSION, REAR - A17SXE95FL (100933)

SUSPENSION | SUSPENSION, REAR - A17SXE95FL (100933)
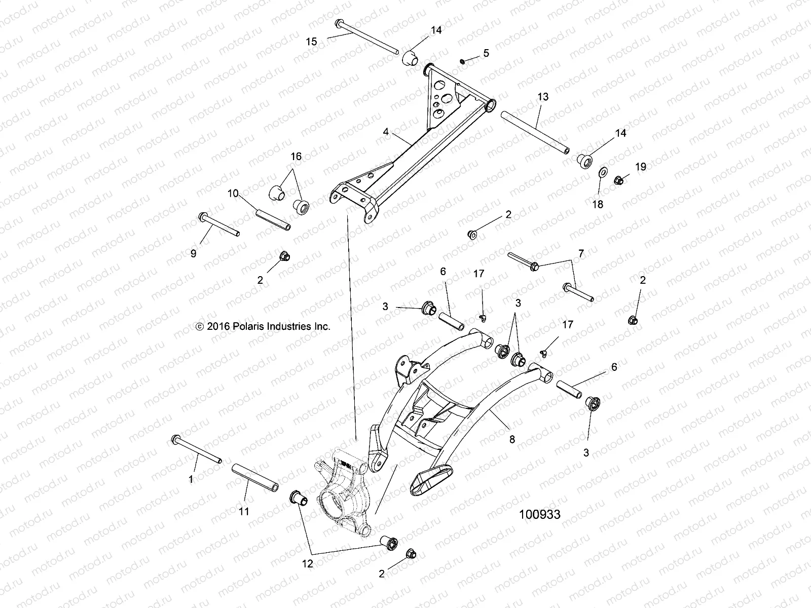
1
7518467
BOLT-M10X1.5X140 HXHD FLG
Цена по
запросу
2
7547313
NUT-M10X1.5 HXFLG NYLON INS
Цена по
запросу
3
1543367
ASM-BUSHING HD W/SEAL 5.23 FLG
Цена по
запросу
4
1025619-293
WELD-UCA REAR LH INDY RED
Цена по
запросу
4
1025620-293
WELD-UCA REAR RH INDY RED
Цена по
запросу
5
7080433
FITTING LUBRICATION THREADED(1
Цена по
запросу
6
5137346
SHAFT-A-ARM 63.5MM
Цена по
запросу
7
7518466
BOLT-M10X1.5X85 HX HD FLG
Цена по
запросу
8
1022011-293
WELD-LCA REAR LH BRKT INDY RED
Цена по
запросу
8
1022012-293
WELD-LCA REAR RH BRKT INDY RED
Цена по
запросу
9
7518675
BOLT-M10X1.5X130 HX HD FLG
Цена по
запросу
10
5137590
SHAFT-PIVOT 104.9MM ZINC YEL
Цена по
запросу
11
5136473
SHAFT-A-ARM LCA 0.75 OD
Цена по
запросу
12
5437651
BUSHING-LCA 0.75 ID
Цена по
запросу
13
5137594
SHAFT-PIVOT 210.27MM ZINC YEL
Цена по
запросу
14
5436973
BUSHING-A-ARM LONG 102.36MM(10
Цена по
запросу
15
7519086
SCR-HXFL-M10X1.25X235 10.9 ZOD
Цена по
запросу
16
5439874
BUSHING-STANDARD ORV
Цена по
запросу
17
7080510
FITTING ZERK 90 DEGREE
Цена по
запросу
18
7556153
WASHER 3/8 FW
Цена по
запросу
19
7547333
NUT-M10X1.25 FLG NYLOC-OLIVE D
Цена по
запросу

Узлы для