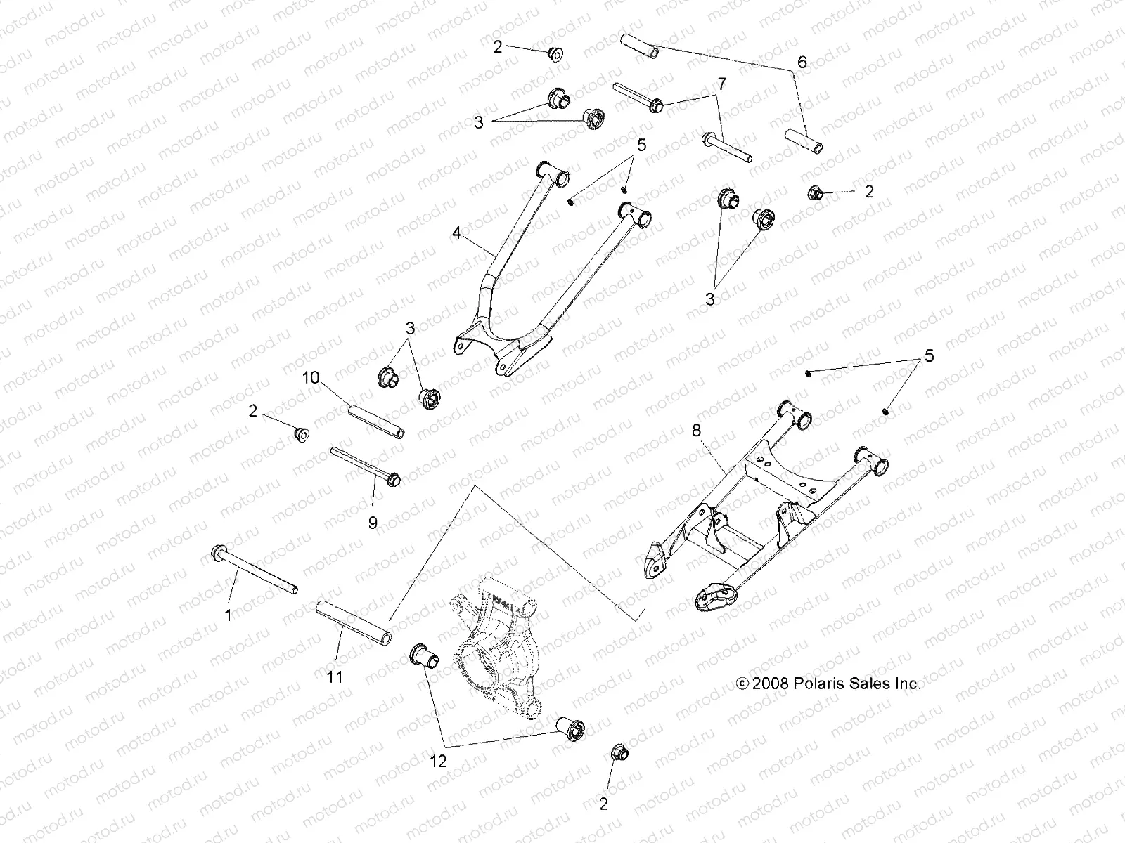
SUSPENSION | SUSPENSION, REAR - A09ZX85/8X ALL OPTIONS (49ATVSUSPRR09SPXP550)

SUSPENSION | SUSPENSION, REAR - A09ZX85/8X ALL OPTIONS (49ATVSUSPRR09SPXP550)
1
7518467
BOLT-M10X1.5X140 HXHD FLG
Цена по
запросу
2
7547313
NUT-M10X1.5 HXFLG NYLON INS
Цена по
запросу
3
5436798
BUSHING-CONTROL ARM
Цена по
запросу
4
1017258-067
WELD-UCA REAR LH BLK
Цена по
запросу
4
1017259-067
WELD-UCA REAR RH BLK
Цена по
запросу
5
7080433
FITTING LUBRICATION THREADED(1
Цена по
запросу
6
5135270
SHAFT-A-ARM
Цена по
запросу
7
7518466
BOLT-M10X1.5X85 HX HD FLG
Цена по
запросу
8
1017256-067
WELD-LCA REAR LH BLK
Цена по
запросу
8
1017256-067
WELD-LCA REAR LH BLK
Цена по
запросу
8
1017257-067
WELD-LCA REAR RH BLK
Цена по
запросу
8
1017257-067
WELD-LCA REAR RH BLK
Цена по
запросу
9
7518675
BOLT-M10X1.5X130 HX HD FLG
Цена по
запросу
10
5137590
SHAFT-PIVOT 104.9MM ZINC YEL
Цена по
запросу
11
5136473
SHAFT-A-ARM LCA 0.75 OD
Цена по
запросу
12
5437651
BUSHING-LCA 0.75 ID
Цена по
запросу

Узлы для