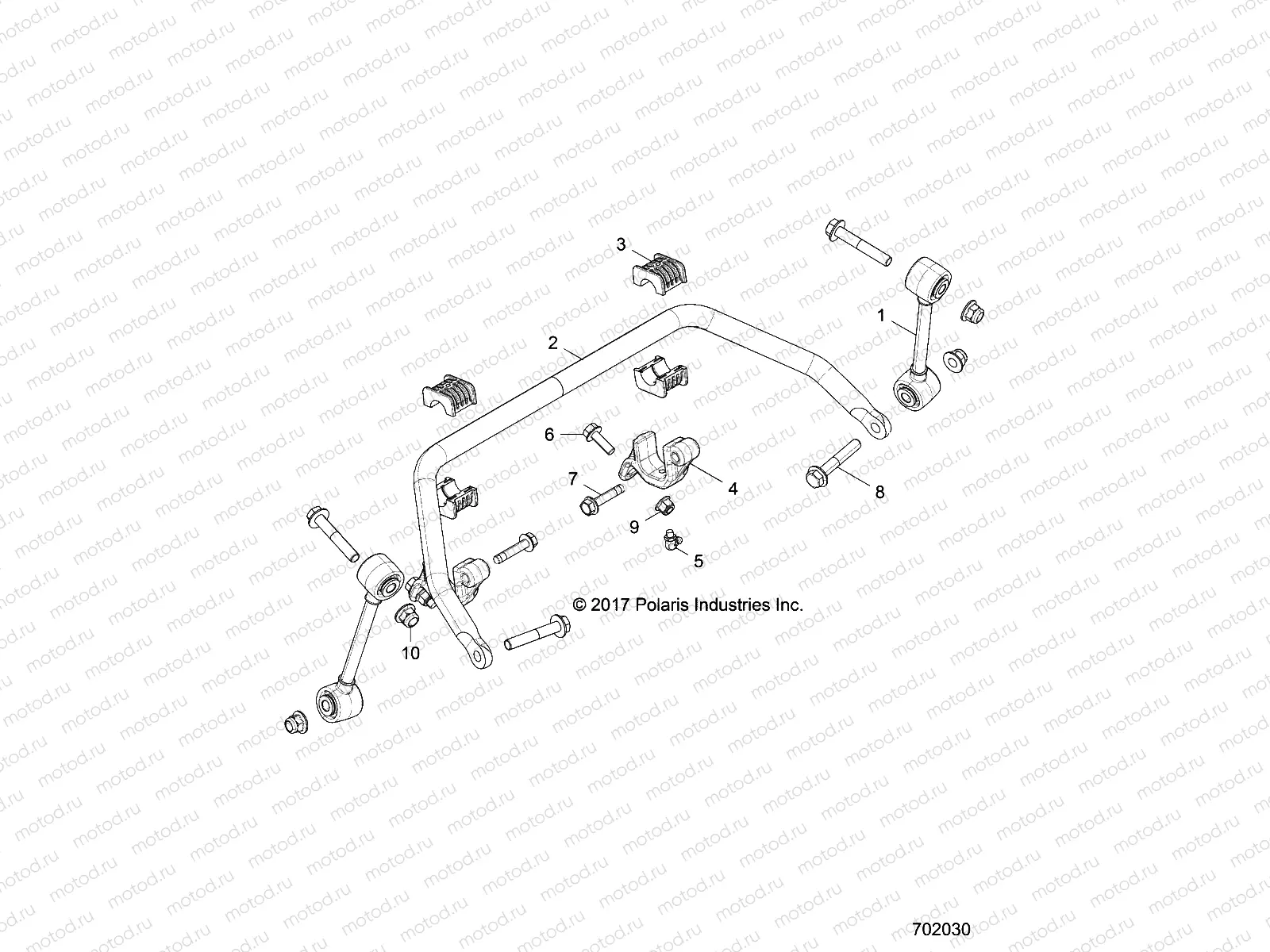
SUSPENSION | SUSPENSION, FRONT STABILIZER BAR- Z19VFE99AD/BD/AK/BK/AN/BN/LD/K99AD/BD/AK/BK/AN/BN/LK/LE/L99AC/BC/M99AL (702030)

SUSPENSION | SUSPENSION, FRONT STABILIZER BAR- Z19VFE99AD/BD/AK/BK/AN/BN/LD/K99AD/BD/AK/BK/AN/BN/LK/LE/L99AC/BC/M99AL (702030)
1
1543852
ASM-LINK STABILIZER BAR 157MM
Цена по
запросу
2
5338117
TUBE-STABILIZER
Цена по
запросу
3
5452274
BUSHING-SWAY BAR
Цена по
запросу
4
5634604
BRKT-CAST SWAY BAR
Цена по
запросу
5
7080510
FITTING ZERK 90 DEGREE
Цена по
запросу
6
7519243
SCR-HXFL-M8X1.25X25 8.8 ZODP30
Цена по
запросу
7
7519267
SCR-HXFL-M8X1.25X40 8.8 ZODP30
Цена по
запросу
8
7519306
SCR-HXFL-M10X1.25X60 10.9 ZOD
Цена по
запросу
9
7547332
NUT-M8X1.25 FLG NYLOC-OLIVE D
Цена по
запросу
10
7547333
NUT-M10X1.25 FLG NYLOC-OLIVE D
Цена по
запросу

Узлы для