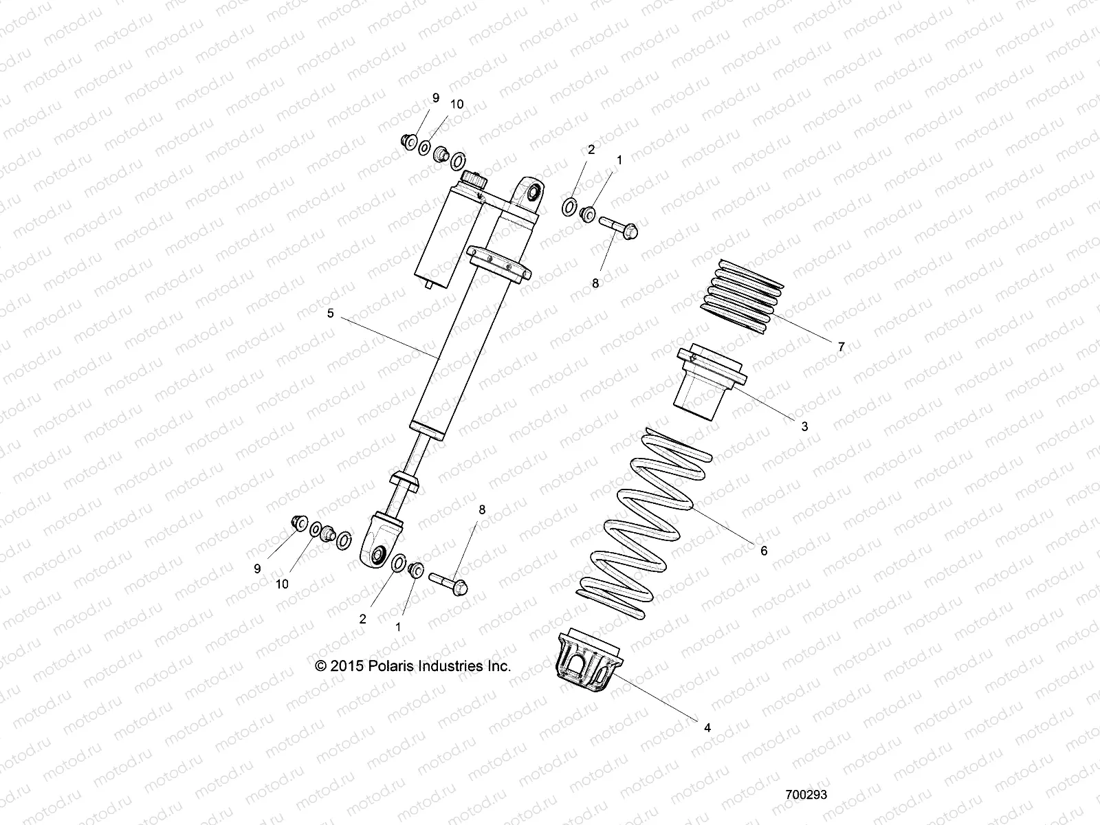
SUSPENSION | SUSPENSION, FRONT SHOCK MOUNTING - Z17VFE99NM (700293)

SUSPENSION | SUSPENSION, FRONT SHOCK MOUNTING - Z17VFE99NM (700293)
1
5137876
BUSHING-REDUCER .500X.398 ZYW
Цена по
запросу
2
5412290
O-RING 0.600IDX.210
Цена по
запросу
3
5450644
SPACER-SPRING 2.0
Цена по
запросу
4
5634606
RETAINER-SPRING CAST
Цена по
запросу
5
7044555
SHOCK-FRT RZRXP PIGGYBK MP LH
Цена по
запросу
5
7044556
SHOCK-FRT RZRXP PIGGYBK MP RH
Цена по
запросу
6
7044114-133
SPG-335# 13.25FL 3.04-3.04ID W
Цена по
запросу
7
7044115-133
SPR-280# 6.1FL 3.04-3.04ID WH
Цена по
запросу
8
7519285
SCR-HXFL-M10X1.25X55 10.9 ZOD
Цена по
запросу
9
7547333
NUT-M10X1.25 FLG NYLOC-OLIVE D
Цена по
запросу
10
7556153
WASHER 3/8 FW
Цена по
запросу

Узлы для