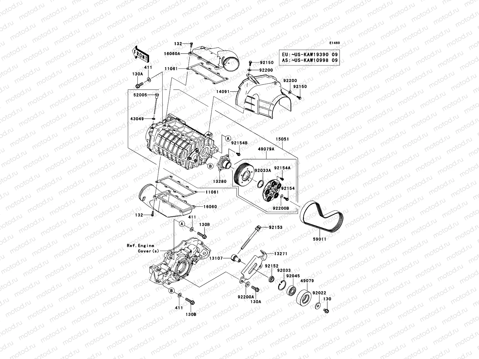
Super Charger

Super Charger

Узлы для