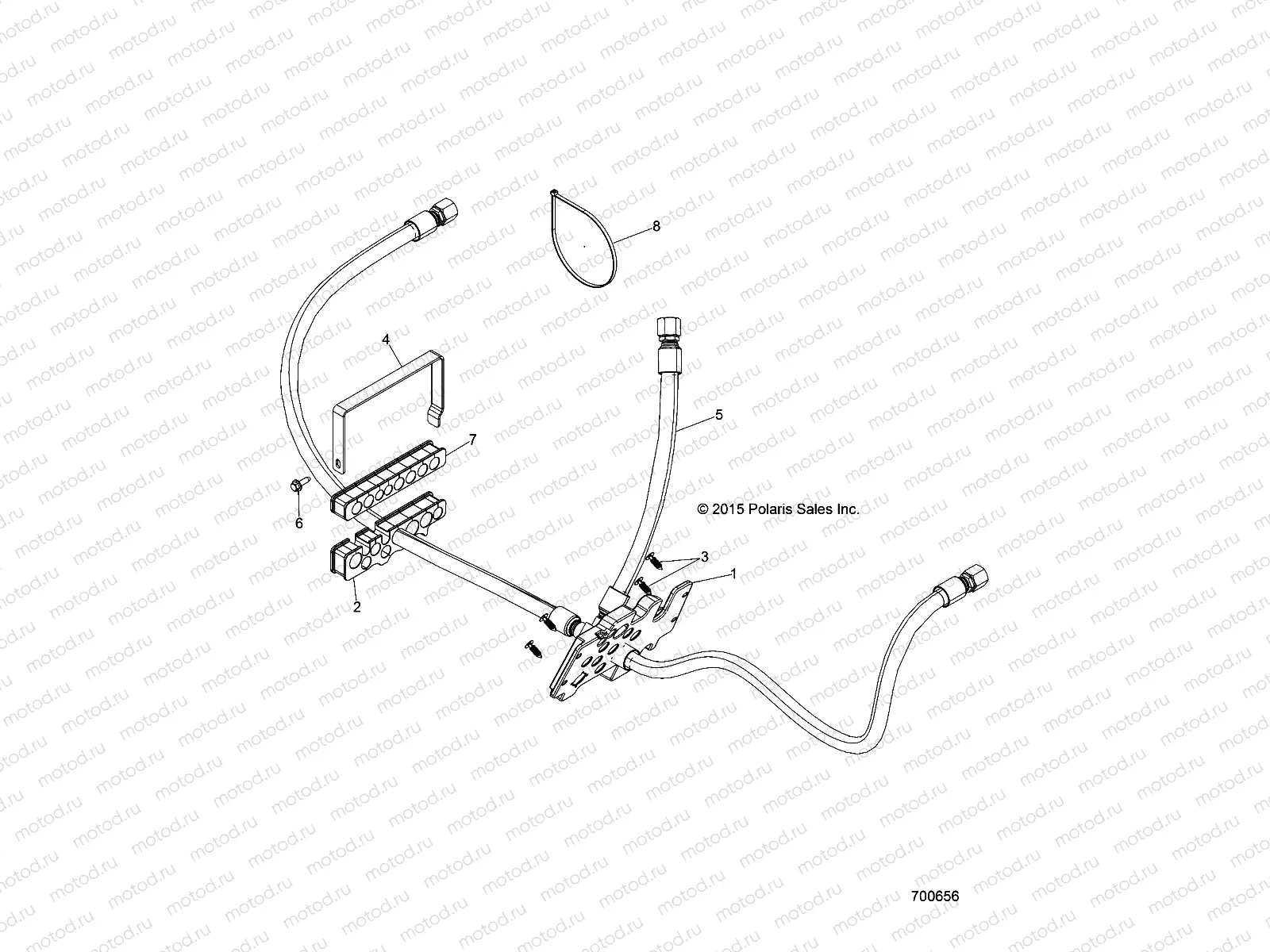
STEERING | STEERING, HYDRAULICS - R16B1PD1AA/2P (700656)

STEERING | STEERING, HYDRAULICS - R16B1PD1AA/2P (700656)
1
3120099
GROMMET-FRONT
Цена по
запросу
2
3120100
GROMMET-BASE
Цена по
запросу
3
7670141
CLIP-PLASTIC DART BLACK
Цена по
запросу
4
3120101
BRKT-GROMMET
Цена по
запросу
5
3120207
HOSE-MANIFOLD-TORQ GEN-COOLER
Цена по
запросу
6
7518529
SCR-M6X1.0X20 HXHD FLG TDFM BL
Цена по
запросу
7
3120132
GROMMET-TOP
Цена по
запросу
8
7080761
CABLE TIE 14
Цена по
запросу

Узлы для