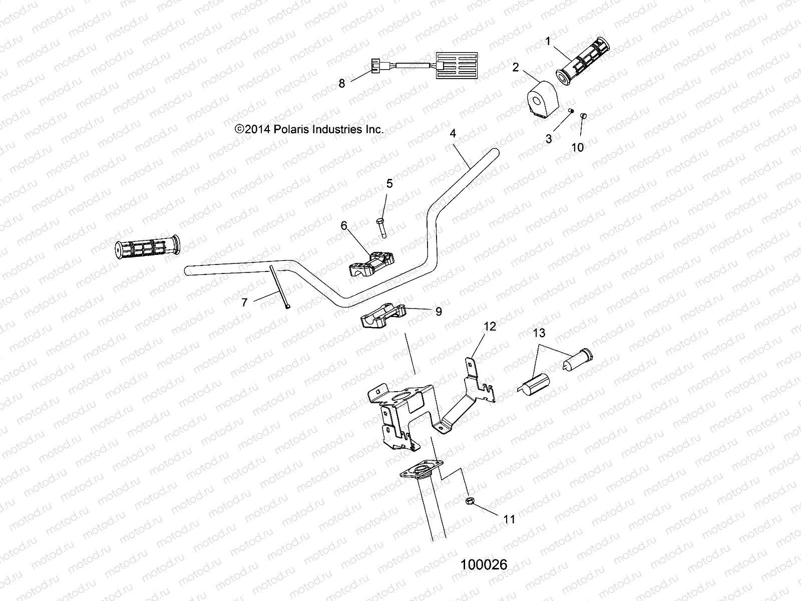
STEERING | STEERING, HANDLEBAR and CONTROLS - A18SHD57B9/E57BB/E57BS (100026)

STEERING | STEERING, HANDLEBAR and CONTROLS - A18SHD57B9/E57BB/E57BS (100026)
1
5413578-070
GRIP-HANDLEBAR BLK
Цена по
запросу
2
4019044
CONTROL-LH HI/LO/OFF
Цена по
запросу
3
7517625
SCREW SET
Цена по
запросу
4
5340797-067
TUBE-HANDLEBAR ATV SINGLES BLK
Цена по
запросу
5
7515189
Vis
Цена по
запросу
6
5631972
BLOCK-HANDLEBAR PEG 89 ID
Цена по
запросу
7
7080138
CABLE TIE
Цена по
запросу
8
2410567
ASM-HAND WARMER ATV
Цена по
запросу
9
5631973
BLOCK-HANDLEBAR .89 ID
Цена по
запросу
10
5432952
PLUG HOLE
Цена по
запросу
11
7542122
NUT-NYLOK
Цена по
запросу
12
5259236
BRKT-POD MOUNTING
Цена по
запросу
13
4010638
RECEPTACLE-POD MNT 12 VOLT
Цена по
запросу

Узлы для