STEERING | STEERING, HANDLEBAR and CONTROLS - A18S6S57C1/CL

STEERING | STEERING, HANDLEBAR and CONTROLS - A18S6S57C1/CL
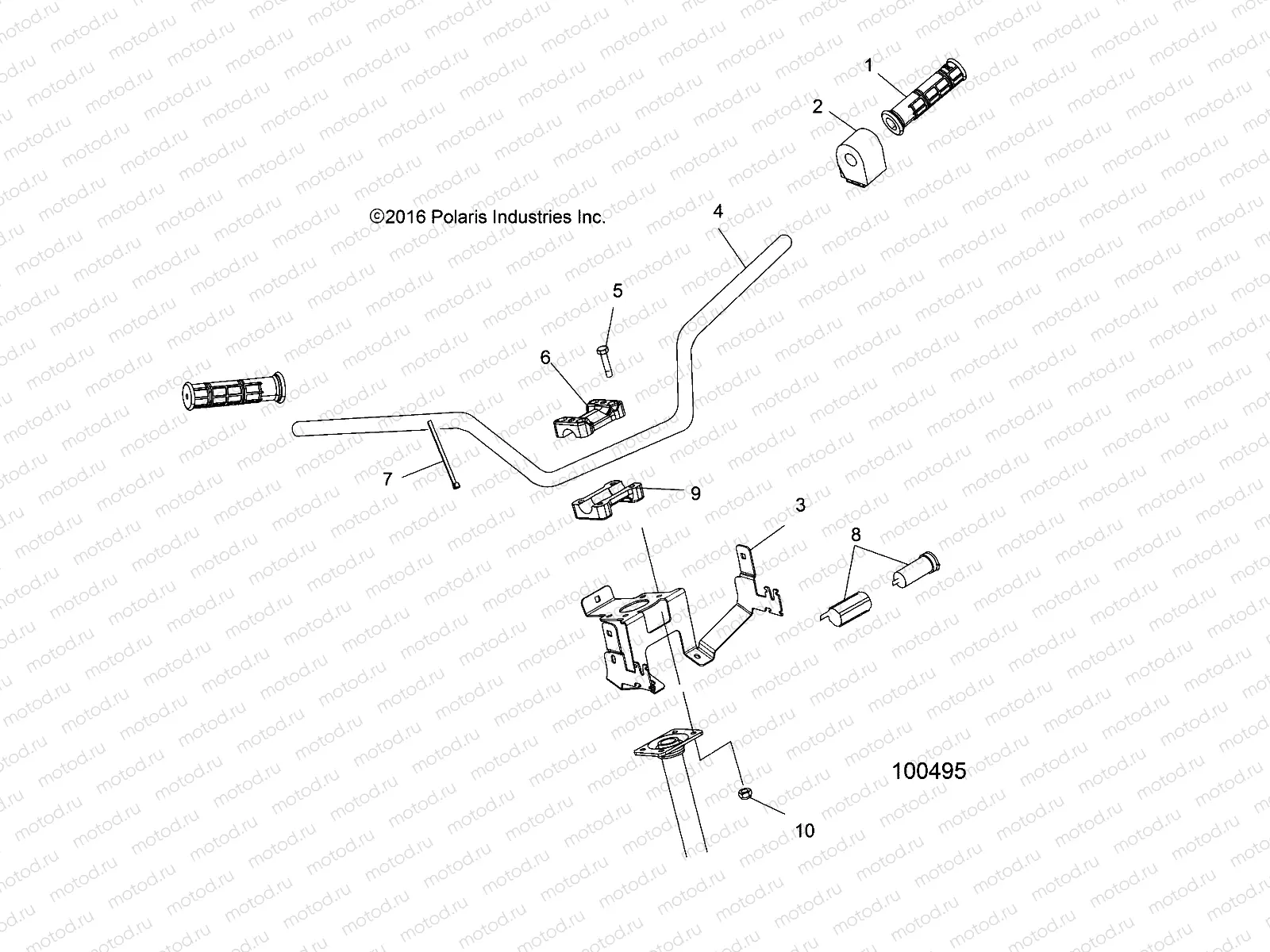
1
5413578-070
GRIP-HANDLEBAR BLK
Цена по
запросу
2
4013074
SWITCH-HANDLEBAR LH TRACTOR
Цена по
запросу
3
5259236
BRKT-POD MOUNTING
Цена по
запросу
4
5340797-458
TUBE-HANDLEBAR ATV SINGLES MBK
Цена по
запросу
5
7515189
Vis
Цена по
запросу
6
5631972
BLOCK-HANDLEBAR PEG 89 ID
Цена по
запросу
7
7080138
CABLE TIE
Цена по
запросу
8
4010638
RECEPTACLE-POD MNT 12 VOLT
Цена по
запросу
9
5631973
BLOCK-HANDLEBAR .89 ID
Цена по
запросу
10
7542122
NUT-NYLOK
Цена по
запросу

Узлы для