STEERING | STEERING, HANDLEBAR and CONTROLS - A15SUH57AH (49ATVHANDLEBAR14SP570F)

STEERING | STEERING, HANDLEBAR and CONTROLS - A15SUH57AH (49ATVHANDLEBAR14SP570F)
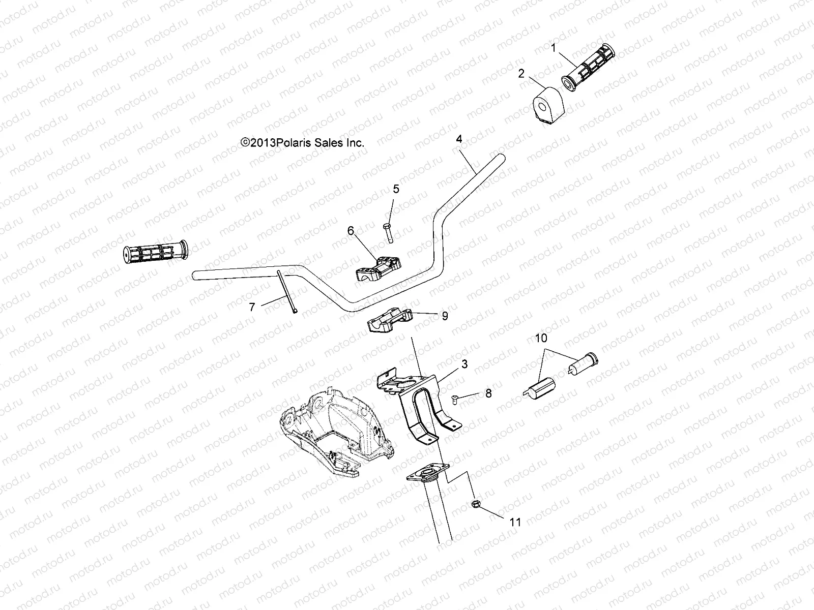
1
5413578-070
GRIP-HANDLEBAR BLK
Цена по
запросу
2
4012435
SWITCH-HANDLEBAR LH INT L
Цена по
запросу
3
5244969-329
BRKT-POD MOUNTING E-COAT
Цена по
запросу
4
5244581-067
TUBE HNDLBR BLK
Цена по
запросу
5
7515189
Vis
Цена по
запросу
6
5631972
BLOCK-HANDLEBAR PEG 89 ID
Цена по
запросу
7
7080138
CABLE TIE
Цена по
запросу
8
7517317
Vis
Цена по
запросу
9
5631973
BLOCK-HANDLEBAR .89 ID
Цена по
запросу
10
4010638
RECEPTACLE-POD MNT 12 VOLT
Цена по
запросу
11
7542122
NUT-NYLOK
Цена по
запросу

Узлы для