STEERING | STEERING, HANDLEBAR and CONTROLS - A12NG50AA (49ATVHANDLEBAR10TB)

STEERING | STEERING, HANDLEBAR and CONTROLS - A12NG50AA (49ATVHANDLEBAR10TB)
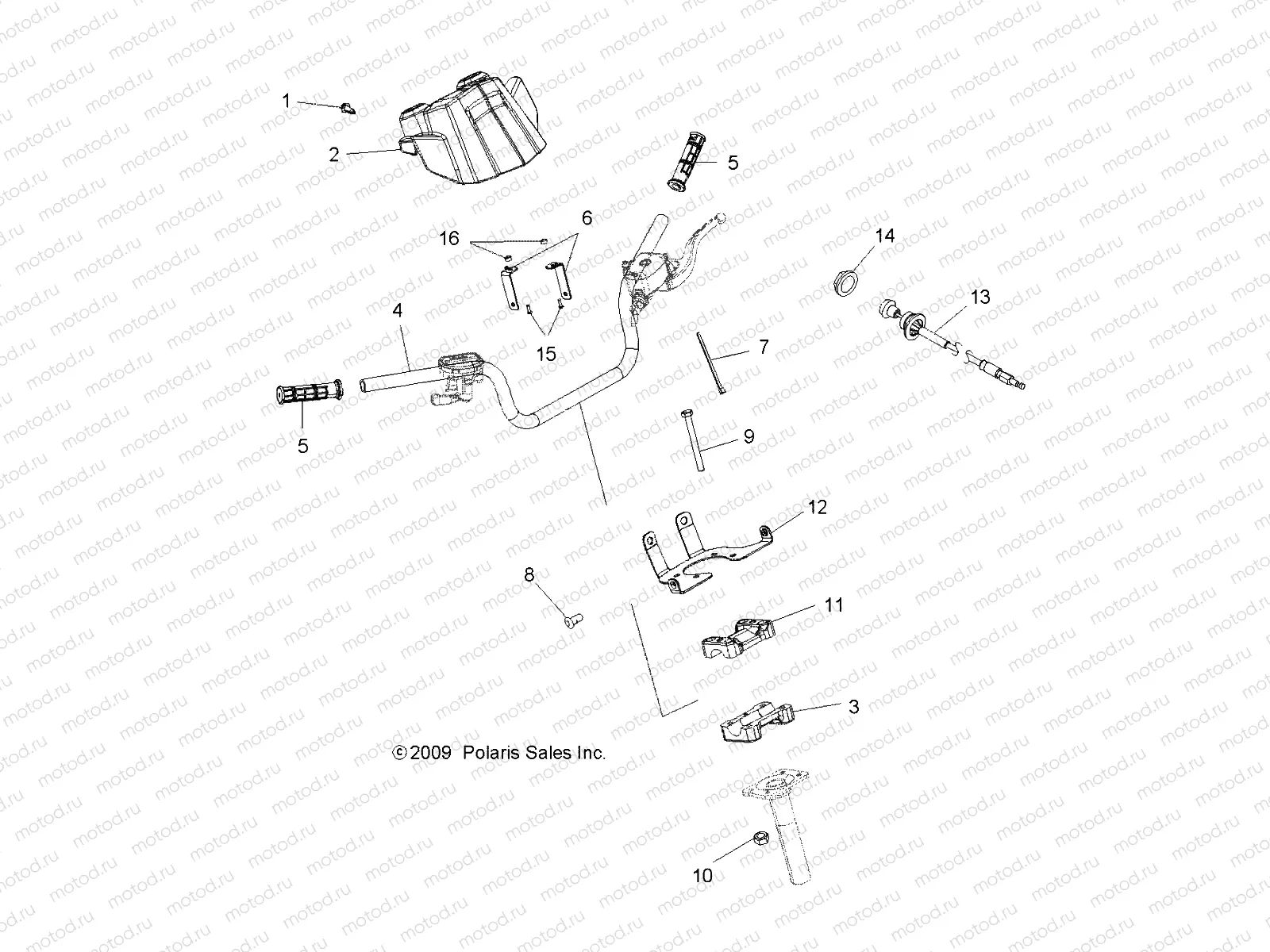
1
7661855
RIVET-TUFLOK .315-.325X.787 (5
Цена по
запросу
2
5438044-070
POD-INSTRUMENT BLK
Цена по
запросу
3
5631973
BLOCK-HANDLEBAR .89 ID
Цена по
запросу
4
5244581-067
TUBE HNDLBR BLK
Цена по
запросу
5
5413578-070
GRIP-HANDLEBAR BLK
Цена по
запросу
6
5250156
MOUNT-POD SUPPORT
Цена по
запросу
7
7080138
CABLE TIE
Цена по
запросу
8
7512024
Vis
Цена по
запросу
9
7515189
Vis
Цена по
запросу
10
7542122
NUT-NYLOK
Цена по
запросу
11
5631972
BLOCK-HANDLEBAR PEG 89 ID
Цена по
запросу
12
5250697-329
BRKT-POD MAIN ECOAT
Цена по
запросу
13
7081008
CABLE-CHOKE FRICTION 40
Цена по
запросу
14
7080922
NUT CHOKE M24X1.5 THD M29 HEX
Цена по
запросу
15
7512054
Vis
Цена по
запросу
16
7556318
SPACER-.26X.50X.31
Цена по
запросу

Узлы для