STEERING POST - A00AA32AA (4949914991B008) | STEERING POST - A00AA32AA (4949914991B008)

STEERING POST - A00AA32AA (4949914991B008) | STEERING POST - A00AA32AA (4949914991B008)
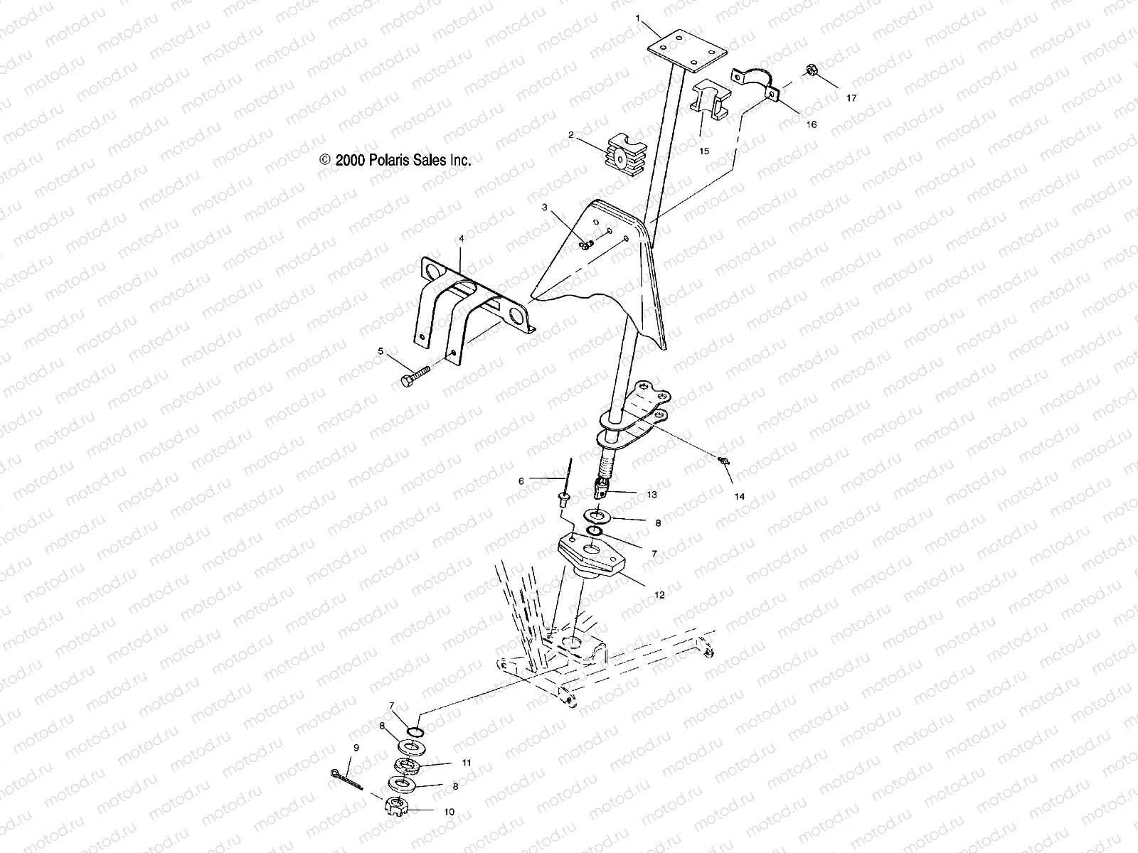
1
1843077
POST STRG.ASM 26.41IN.
Цена по
запросу
2
5433415
BUSHING STRNG CONSOLE
Цена по
запросу
3
7080510
FITTING ZERK 90 DEGREE
Цена по
запросу
4
LR--
CALIPER, BRAKE, RH
Цена по
запросу
5
7515321
Vis
Цена по
запросу
6
7661632
RIVET MONOBOLT
Цена по
запросу
7
5410772
O-RING
Цена по
запросу
8
7555878
BUSHING
Цена по
запросу
9
7661633
PIN COTTER
Цена по
запросу
10
7543203
NUT HEX SLOTTED
Цена по
запросу
11
5431571
SPACER, STRG.POST
Цена по
запросу
12
5431570
BUSHING LOWER STRG.
Цена по
запросу
13
5431574
PLUG,GREASE,STRG.
Цена по
запросу
14
7080433
FITTING LUBRICATION THREADED(1
Цена по
запросу
15
5433416
BUSHING UPPER STEERING
Цена по
запросу
16
5257028
BRKT-UPPER STEERING BUSHING
Цена по
запросу
17
7542324
Nut (SELF-LOCKING)
Цена по
запросу

Узлы для