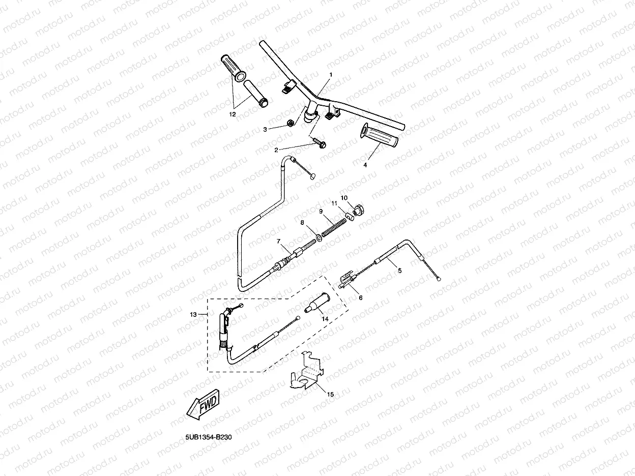
Рулевой рычаг и кабель для YH50 WHY (5PF3) 2002 YAMAHA Why 50 YH

STEERING HANDLE & CABLE
1
5EU-F6110-00
Handlebar
Цена по
запросу
2
90105-10036
Болт
413 ₽
3
90185-10154
Гайка самоконтрящаяся
254 ₽
4
Цена по
запросу
4
Цена по
запросу
5
4UY-F6312-00
Cable, Throttle 2
3 231 ₽
6
3VL-F6261-00
Переходник кабеля
998 ₽
7
5EU-F6351-01
Câble de frein
Цена по
запросу
8
90202-08175
Шайба
191 ₽
9
90501-122E1
Пружина
191 ₽
10
90179-06411
Гайка
152 ₽
11
90249-12008
Палец
159 ₽
12
5EU-F6240-10
Poignée d'accélérateur
Цена по
запросу
12
5EU-F6240-20
Poignée d'accélérateur
Цена по
запросу
13
5EU-F6311-00
Câble de gaz (opening)
Цена по
запросу
14
3WG-F6329-00
Кожух кабеля
920 ₽
15
4KH-F6393-00
OLDER
Цена по
запросу

Узлы для