РУЛЕВОЕ УПРАВЛЕНИЕ В СБОРЕ для Panigale V4 SP2 DUCATI 2023

STEERING ASSEMBLY [XST:ROK]
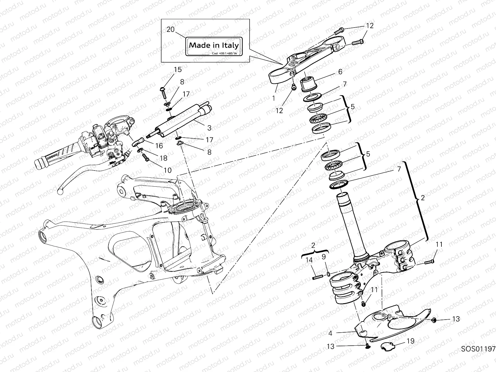
1
34111262AA
STEERING HEAD
Цена по
запросу
2
342P0681BA
SSIEME BASE DI STERZO 0801+PERNO GLOBAL
Цена по
запросу
3
36420132A
STEERING DAMPER
Цена по
запросу
4
4601F921B
MUDFLAP
Цена по
запросу
5
70241231A
Cage à bille de direction
Цена по
запросу
6
70310601BA
RING NUT
Цена по
запросу
7
93010041B
.SEAL RING
Цена по
запросу
8
71319961CA
Entretoise
Цена по
запросу
9
74750031A
Nut (6 mm)
Цена по
запросу
10
77156678B
pc - Vis
Цена по
запросу
11
77156688B
Vis
Цена по
запросу
12
77157258B
pc - Vis
Цена по
запросу
13
77211251B
SCREW M5X9
Цена по
запросу
14
77912981A
Vis (spec)
Цена по
запросу
15
77917391BA
Vis (spec)
Цена по
запросу
16
84820112AA
.BALL JOINT
Цена по
запросу
17
88641061A
pc - O-Ring
Цена по
запросу
18
85250291A
Rondelle
Цена по
запросу
19
87210722A
.PLUG
Цена по
запросу
20
43314851A
MARKING PLATE
Цена по
запросу

Узлы для