STARTING MOTOR - R06RB50AA/RD50AA (4999202119920211E05) | STARTING MOTOR - R06RB50AA/RD50AA (4999202119920211E05)

STARTING MOTOR - R06RB50AA/RD50AA (4999202119920211E05) | STARTING MOTOR - R06RB50AA/RD50AA (4999202119920211E05)
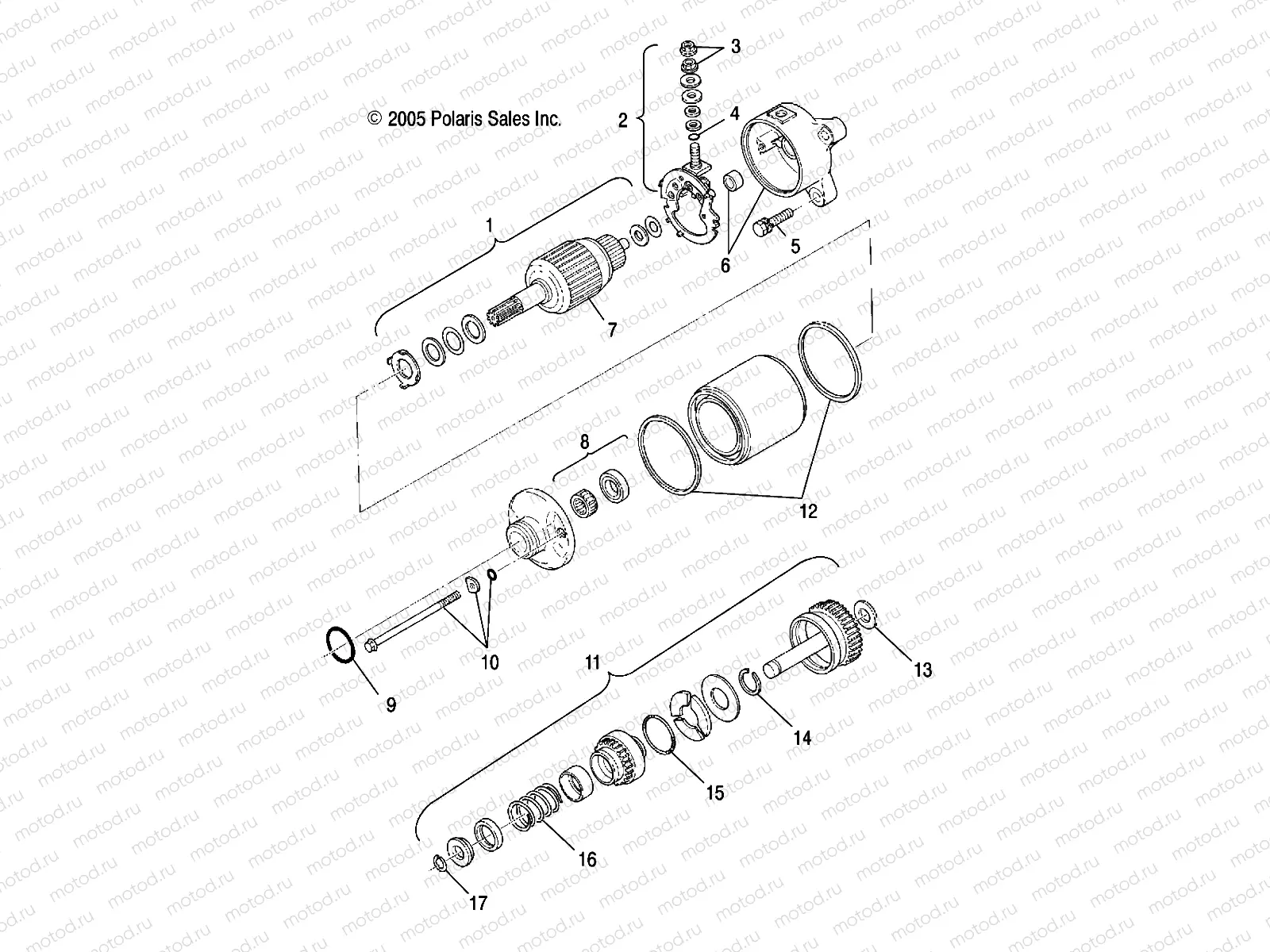
0
3090188
Moteur de démarreur
Цена по
запросу
1
3084982
WASHER SET
Цена по
запросу
2
3088169
CARBON BRUSH SET
Цена по
запросу
3
3083649
NUT FLANGE
Цена по
запросу
4
3084408
O-Ring
Цена по
запросу
5
3082038
BOLT&WASHER ASM.
Цена по
запросу
6
3085034
ASM. COVER REAR
Цена по
запросу
7
3085353
ARMATURE ASM.
Цена по
запросу
8
3085033
ASM. BRACKET FRONT
Цена по
запросу
9
3240114
O-Ring
Цена по
запросу
10
3084983
BOLT ASM SET
Цена по
запросу
11
3090034
ASM-GEAR SHAFT
Цена по
запросу
12
3084405
RING RUBBER
Цена по
запросу
13
7555908
Rondelle
Цена по
запросу
14
3084412
CLIP
Цена по
запросу
15
3084411
SPRING WEIGHT
Цена по
запросу
16
3084410
SPRING RETURN
Цена по
запросу
17
3084409
CLIP
Цена по
запросу

Узлы для