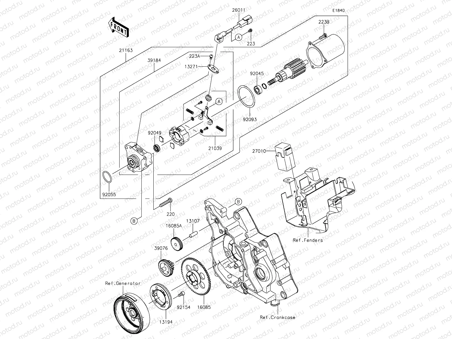
Starter Motor

Starter Motor
220
220AD-0630
Vis
97 ₽
223
223AA-0516
SCREW-PAN-WS-CROS
97 ₽
223
223AA-0406
SCREW-PAN-WS-CROS
97 ₽
223
223AA-0408
10 pc - SCREW-PAN-WS-CROS,4X8
64 ₽
13107
13107-1142
SHAFT,L=24.5
546 ₽
13194
13194-0013
CLUTCH-ONEWAY
6 875 ₽
13271
13271-0674
PLATE
1 028 ₽
16085
16085-0136
GEAR
6 875 ₽
16085
16085-0593
GEAR,IDLE,45T
3 229 ₽
21039
21039-1067
BRUSH,STARTER MOTOR,SET
1 559 ₽
21163
21163-0777
STARTER-ELECTRIC
Цена по
запросу
26011
26011-0249
WIRE-LEAD
1 720 ₽
27010
27010-0085
SWITCH
3 470 ₽
39076
39076-0022
LIMITER
5 911 ₽
39184
39184-0014
BRACKET-ASSY
5 429 ₽
92045
92045-1349
Roulement
1 108 ₽
92049
92049-1465
SEAL-OIL,STARTER MOTOR
338 ₽
92055
92055-1276
O-Ring
595 ₽
92093
92093-1079
GASKET,STARTER MOTOR
289 ₽
92154
92154-0325
Vis
128 ₽

Узлы для