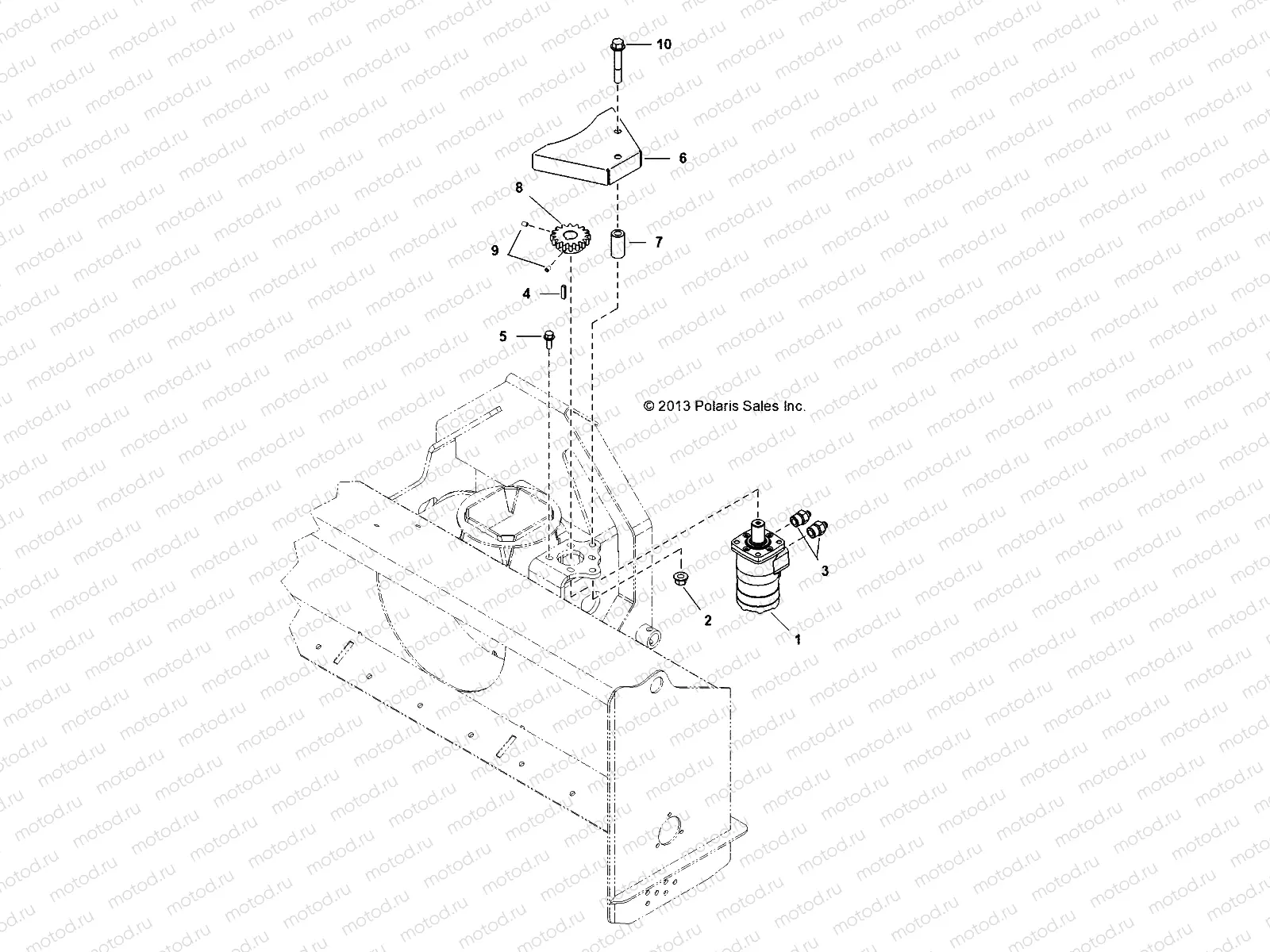
SNOW BLOWER | SNOW BLOWER, HYDRAULIC CIRCUITRY - D151M/2MPD1AJ-BLWR (49BRUTUSCIRCUIT6797)

SNOW BLOWER | SNOW BLOWER, HYDRAULIC CIRCUITRY - D151M/2MPD1AJ-BLWR (49BRUTUSCIRCUIT6797)
1
3120438
MOTOR-HYD
Цена по
запросу
2
3120598
NUT 5
Цена по
запросу
3
3120404
FITTING
Цена по
запросу
4
3120590
KEY-SQ 1/4 X 1-1/4
Цена по
запросу
5
3120558
Vis
Цена по
запросу
6
3120432
Couvrir
Цена по
запросу
7
3120369
BUSHING
Цена по
запросу
8
3120423
GEAR-MOTOR
Цена по
запросу
9
3120530
Vis
Цена по
запросу
10
3120571
Vis
Цена по
запросу

Узлы для