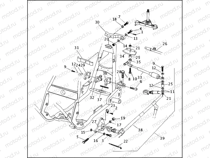
SIDECAR CONNECTION KIT

SIDECAR CONNECTION KIT
1
559
25 pc - COTTER PIN
2
3764
SCREW, HEX CAP, TLE, RLE
3
3782
Vis
4
3902A
SCREW, HEX HEAD CAP
5
4045
SCREW, HEX
6
4357
SCREW, HEX SOC CAP
7
4052
SCREW, HEX
8
4151
Vis
9
4356
SCREW, HEX SOC CAP
10
4420
SCREW, CAP
10
4720W
CAP SCREW
11
6519
WASHER, OIL FILTER MTG,SOFTAIL
12
6701
Rondelle
13
6718
Rondelle
14
6723
Rondelle
15
WASHER, 0.004 inch thick (as required)
15
WASHER, 0.007 inch thick (as required)
15
WASHER, 0.015 inch thick (as required)
15
WASHER, 0.031 inch thick (as required)
16
7039
Rondelle (Lock)
17
7043
Rondelle (Lock)
18
7068
Rondelle (Lock)
19
NUT
20
7843
Nut
21
7775
NUT, FLEX
22
10006
CABLE STRAP
23
VINTA-GEPARTS
Pochette de joints moteur
24
42327-70
Collier
25
59938-72
MOUNTING SPACER
26
87056-83B
SIDECAR BRACE, TLE
27
87126-07
MOUNT, REAR KIT, SIDECAR
28
87122-83A
BRACKET, S/CAR MOUNTING
29
87123-83
MOUNTING BRACKET, LOWER LT FRO
30
87131-83C
CONNECTION KIT, UPPER FRONT, S
31
87132-92
MOUNT, UPPER CENTER, TLE/U
32
87137-92
STABILIZER MOUNT, LEFT
33
87141-83
STEERING DAMPER
34
87143-83
STEERING DAMPER BRACKET
35
87144-83
ROD END, BALL JOINT, TLE ONLY
36
87148-92
MOUNT, RH, LOWER STABILIZER
37
87156-83
STABILIZER ADJUSTER
38
87160-98A
FRAME ASSY, SIDECAR
39
87166-99B
SIDECAR CONNECTION KIT

Узлы для