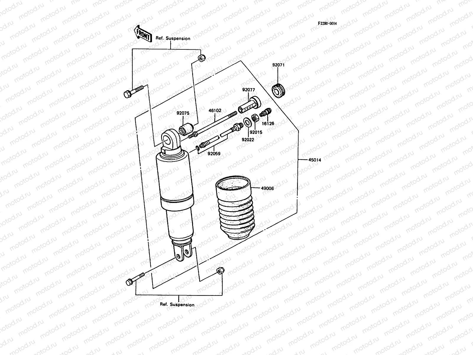
Shock Absorber(s)

Shock Absorber(s)
16126
16126-1143
VALVE
2 008 ₽
45014
45014-1307
SHOCKABSORBER
Цена по
запросу
46102
46102-1151
ROD
Цена по
запросу
49006
49006-1151
BOOT,RR SHOCKABSORBER
Цена по
запросу
92015
92015-1305
Nut (14 mm)
338 ₽
92022
92022-1494
Rondelle
289 ₽
92059
92059-1364
TUBE,SHOCKABSORBER
Цена по
запросу
92071
92071-056
Damper
268 ₽
92075
92075-1654
DAMPER,SHOCKABSORBER
Цена по
запросу
92077
92077-1051
KNOB,RR SHOCKABSORBER
1 269 ₽

Узлы для