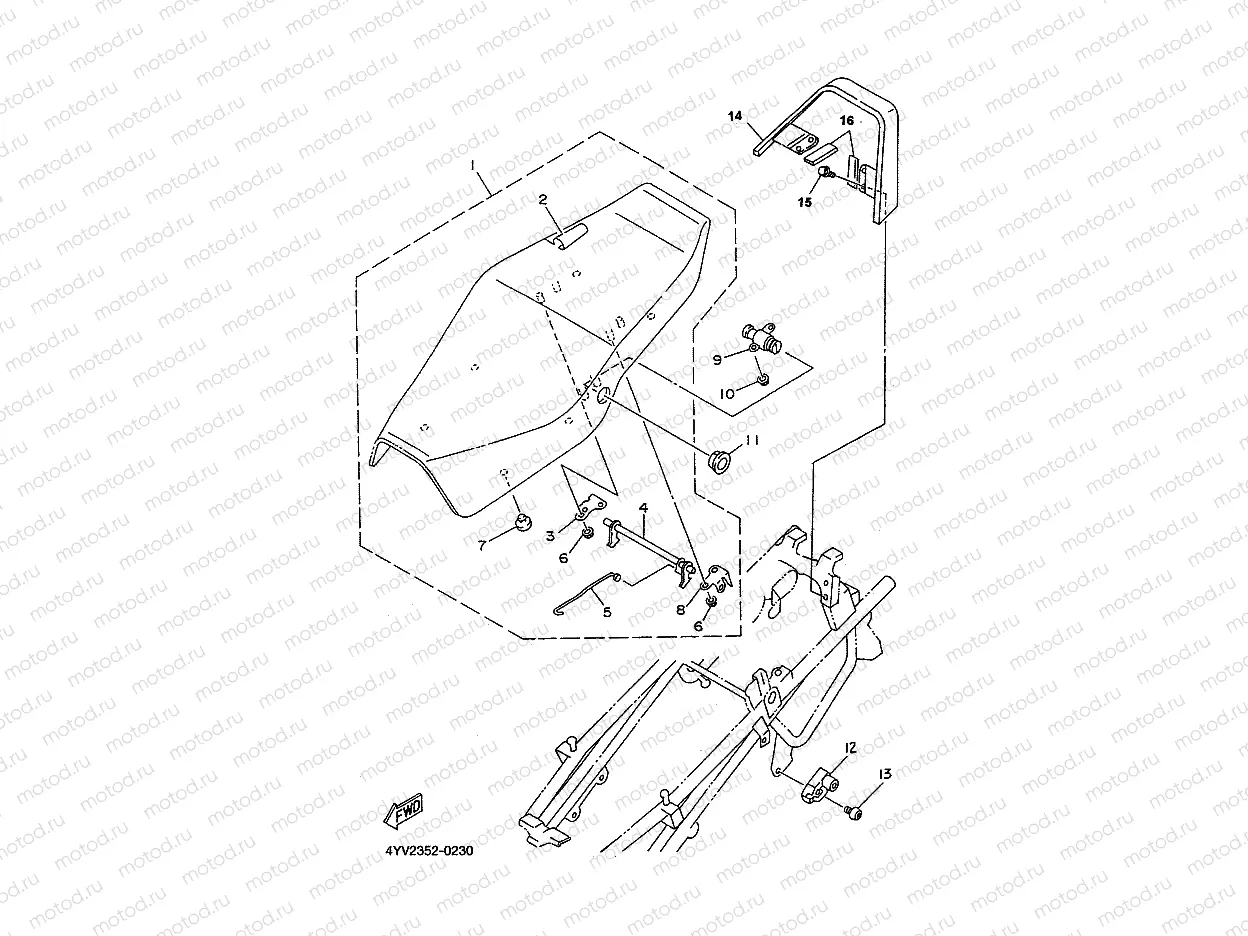
СИДЕНЬЕ для TZR50 (5DU7) 2002 YAMAHA TZR 50

SELLE
1
4BA-F4730-10
Saddle assy
Цена по
запросу
2
4BA-F4731-10
Seat cover
Цена по
запросу
3
4BA-F4718-00
.BRACKET, SEAT
Цена по
запросу
4
4BA-F4776-00
.LEVER, SEAT
Цена по
запросу
5
4BA-F478F-00
Connecting rod
Цена по
запросу
6
9570N-06500
Гайка
95 ₽
7
2RN-F4741-00
Damper
Цена по
запросу
8
4BA-F4728-00
.BRACKET, SEAT
Цена по
запросу
9
47X-24705-00
SEAT LOCK ASSY
Цена по
запросу
10
9570N-05500
ut, Flange
85 ₽
11
2RN-F4796-00
Couvrir
Цена по
запросу
12
26H-21308-01
elmet Hanger Assy
4 765 ₽
13
90149-06150
Болт
175 ₽
14
4BA-F4773-00-38
HANDLE, SEAT
Цена по
запросу
15
95817-06016
Болт
95 ₽
16
4BA-F4785-00
MOLD, SEAT
Цена по
запросу

Узлы для