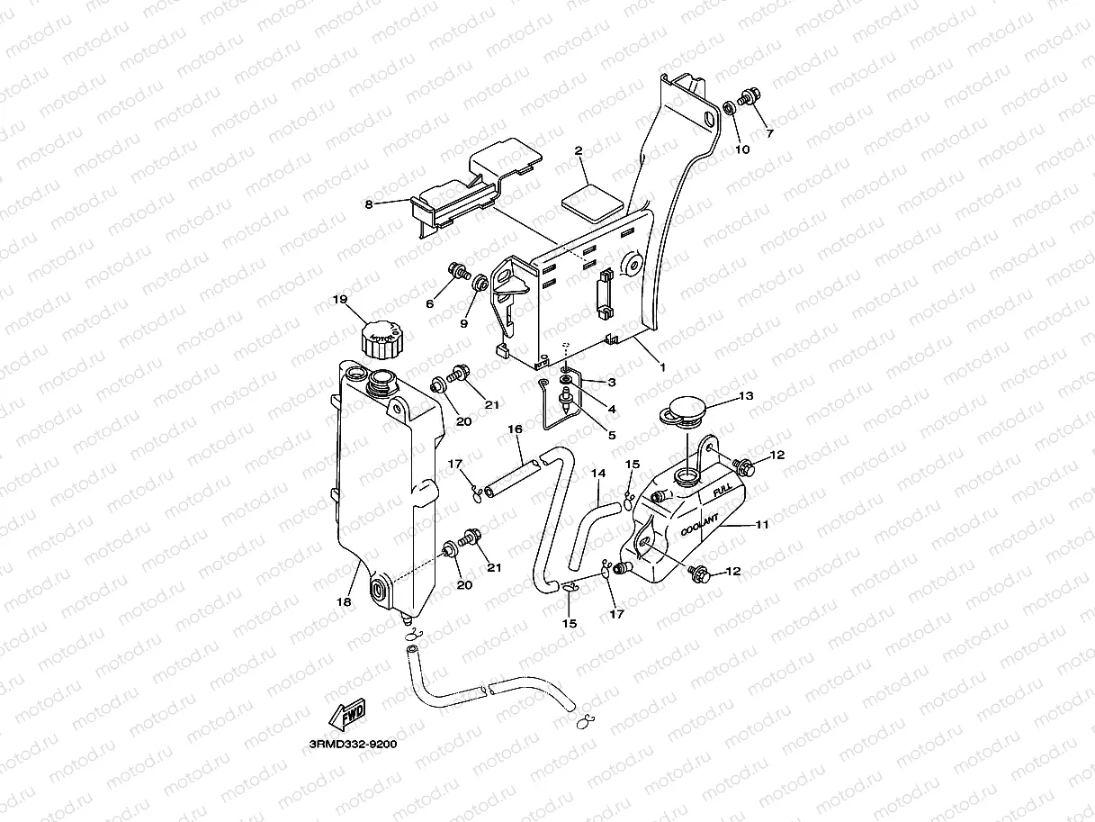
RESERVOIR A HUILE

RESERVOIR A HUILE
1
4TP-2177A-00
BOX
Цена по
запросу
2
3BN-21638-00
DAMPER 1
Цена по
запросу
3
3ET-21339-00
Направляющая
874 ₽
4
90201-044H9
Шайба
191 ₽
5
90267-40191
Зацеп
188 ₽
6
97017-06016
Болт
111 ₽
7
90119-06118
Болт с шайбой
159 ₽
8
3BN-2176E-00
PLATE
Цена по
запросу
9
90387-08079
Втулка
254 ₽
10
90387-082J1
Втулка
207 ₽
11
3BN-21871-00
Tank, Recovery
3 636 ₽
12
97017-06016
Болт
111 ₽
13
10V-21875-00
Крышка
1 176 ₽
14
90445-090F6
ШЛАНГ (1500 мм)
1 796 ₽
15
90467-08003
Хомут
175 ₽
16
3BN-21877-00
PIPE, OVERFLOW
Цена по
запросу
17
90467-11106
Хомут
120 ₽
18
3BN-21751-01
TANK, OIL
Цена по
запросу
19
3BN-21770-01
ДЕТАЛЬ
2 225 ₽
20
90387-06857
Втулка
136 ₽
21
95817-06016
Болт
95 ₽

Узлы для