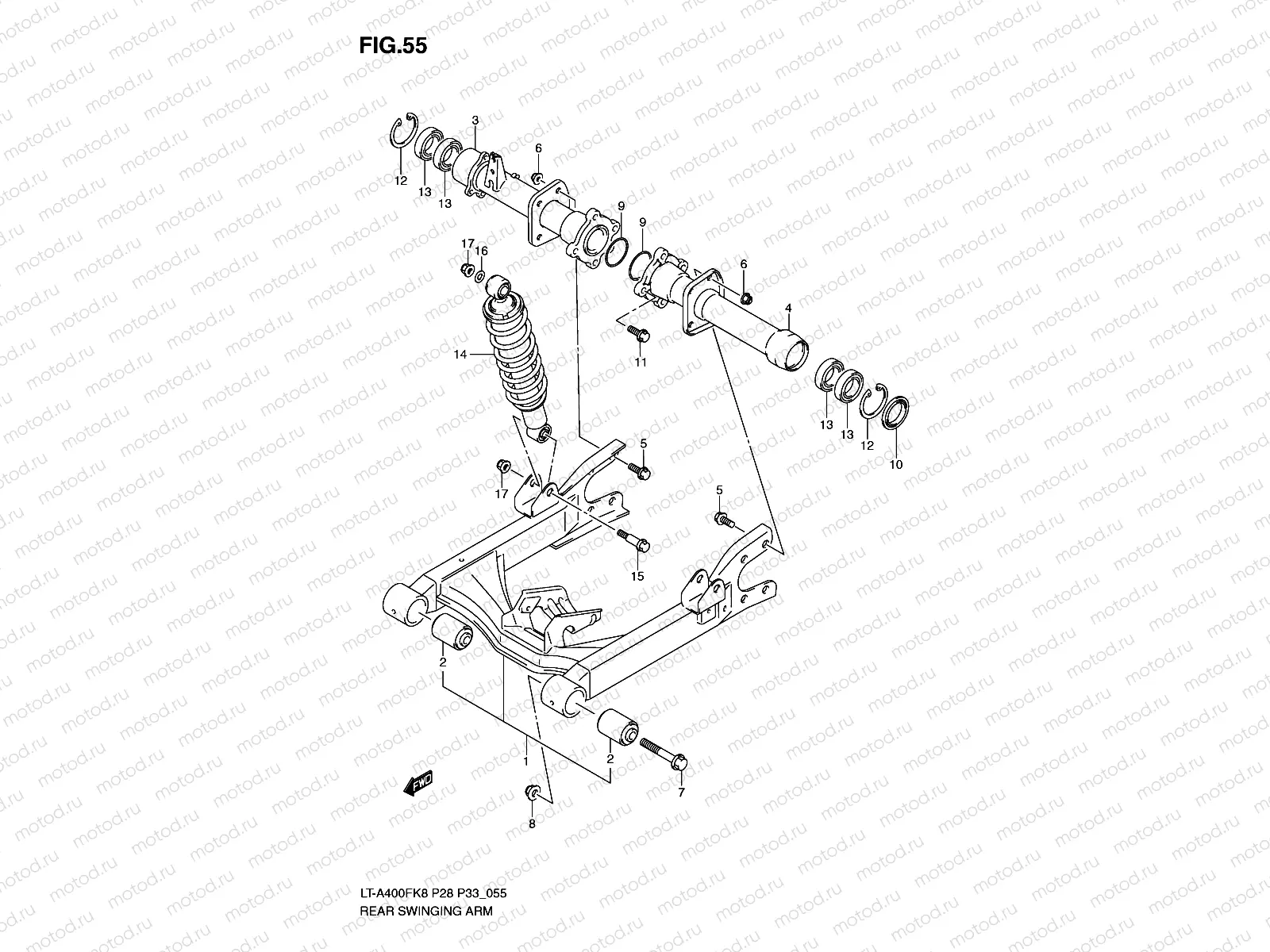
REAR SWINGINGARM

REAR SWINGINGARM
1
61101-27850
Swingingarm set
Цена по
запросу
2
61230-27H00
Bush,rr swgarm
Цена по
запросу
3
61300-27H00
ousing,rr axle
Цена по
запросу
4
61400-27H00
ousing,rr axle
Цена по
запросу
5
09103-10216
Bolt,10x20
Цена по
запросу
6
09159-10115
Гайка
289 ₽
7
09103-12068
BOLT,12X80
Цена по
запросу
8
09159-12054
Гайка
840 ₽
9
09280-70005
Кольцо уплотнительное
418 ₽
10
09283-38022
Sesl,mub outer
Цена по
запросу
11
09103-10421
Bolt,10x30
Цена по
запросу
12
08331-4155A
Circlip
Цена по
запросу
13
08123-60067
Roulement
Цена по
запросу
14
62100-27H00-019
Absorber assy,r
Цена по
запросу
14
62100-27H10-019
Absorber assy,r
Цена по
запросу
15
09103-10126
BOLT(10X48)
226 ₽
16
09160-10501
WASHER,10.5X30X2.3
136 ₽
17
08319-3110B
Гайка
1 920 ₽

Узлы для