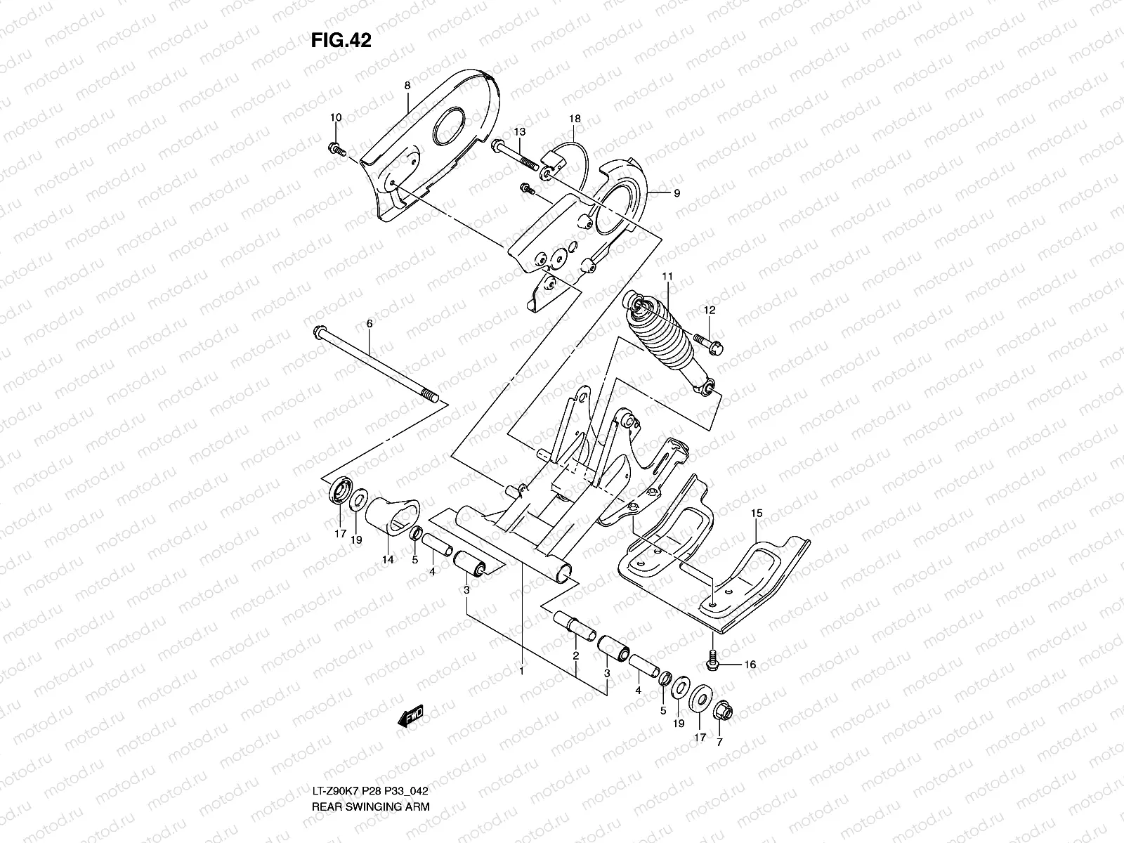
REAR SWINGINGARM

REAR SWINGINGARM
1
61000-08H00-019
Swing arm
1 шт. в узле
2
61280-43G00
Spacer comp,rr
1 шт. в узле
3
61261-08H00
Bush,rr swgarm
2 шт. в узле
4
61251-08H00
Spacer,rr swgar
2 шт. в узле
5
61262-08H00
Seal,rr swgarm
2 шт. в узле
6
61211-08H00
Shaft,rr swgarm
1 шт. в узле
7
08319-3112A
Гайка
211 ₽/шт
1 шт. в узле
8
61311-08H00
Case,chain
1 шт. в узле
9
61313-08H00
Case,chain inne
1 шт. в узле
10
09111-06066
БОЛТ
102 ₽/шт
5 шт. в узле
11
62100-08H01-YKS
Absorber assy,r
1 шт. в узле
11
62100-08H00-28W
Absorber assy,r
1 шт. в узле
11
ABSORBER ASSY, RR SHOCK (SILVER)
12
09103-10049
Болт верхний
3 680 ₽/шт
1 шт. в узле
13
09103-12097
Bolt,12x105
1 шт. в узле
14
61273-08H00
Guard chain sliding shoe
1 шт. в узле
15
61391-08H00
Guard,swgarm un
1 шт. в узле
16
09106-08179
Bolt,rr disc co
4 шт. в узле
16
09106-08179
Bolt,rr disc co
4 шт. в узле
17
61262-21D01
Dust seal,rr sw
2 шт. в узле
18
61340-08H00
Guide comp,chai
1 шт. в узле
19
09181-12010
Shim,12.5x27.8x
2 шт. в узле

Узлы для