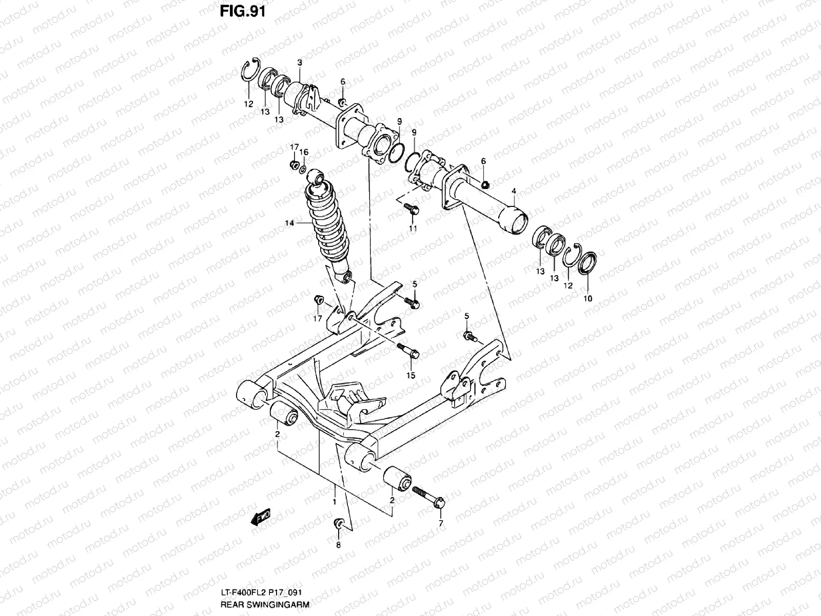
REAR SWINGARM

REAR SWINGARM
1
61101-27850
Swingingarm set
2
61230-27H00
Bush,rr swgarm
3
61300-27H00
Housing,rr axle
4
61400-27H00
Housing,rr axle
5
09103-10216
Bolt,10x20
6
09159-10115
Гайка
289 ₽/шт
8
09159-12054
Гайка
840 ₽/шт
9
09280-70005
Кольцо уплотнительное
418 ₽/шт
10
09283-38022
Sesl,mub outer
11
09103-10421
Bolt,10x30
12
08331-41559
CIRCLIP
13
08123-60067
Roulement
14
62100-27H10-019
Absorber assy,r
15
09103-10126
BOLT(10X48)
226 ₽/шт
16
09160-10501
WASHER,10.5X30X2.3
136 ₽/шт
17
08319-3110B
Гайка
1 920 ₽/шт

Узлы для