ЗАДНЯЯ ПОДВЕСКА для YZ250 (4JX3) 1994 YAMAHA YZ 250 (VIN: 4JX)

REAR SUSPENSION
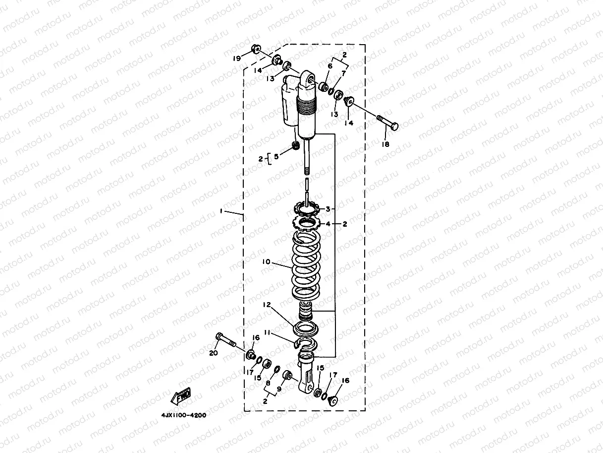
1
4JX-22210-00
Amortisseur arrière
Цена по
запросу
1
4JX-22210-20
Amortisseur arrière
Цена по
запросу
1
4JX-22210-30
Amortisseur arrière
Цена по
запросу
1
4JX-22210-40
Amortisseur arrière
Цена по
запросу
1
4JX-22210-10
Amortisseur arrière
Цена по
запросу
2
4JX-22201-10
.DAMPER SUB ASSY
Цена по
запросу
2
4JX-22201-00
.DAMPER SUB ASSY
Цена по
запросу
2
4JX-22201-20
.DAMPER SUB ASSY
Цена по
запросу
2
4JX-22201-30
.DAMPER SUB ASSY
Цена по
запросу
2
4JX-22201-40
.DAMPER SUB ASSY
Цена по
запросу
3
3SP-22234-00
Гайка
3 195 ₽
4
3SP-22213-00
Основание пружины верхнее
2 766 ₽
5
24M-23184-00
Чашка воздушного клапана
965 ₽
6
3JD-22216-00
Втулка
11 366 ₽
7
43M-22274-00
..RING, STOP
Цена по
запросу
8
3Y6-23183-00
Circlip
269 ₽
9
4JX-22226-00
Втулка амортизатора
4 501 ₽
10
4JX-22212-50
Пружина
29 471 ₽
10
4JX-22212-40
Spring
Цена по
запросу
11
3JD-22214-00
Основание пружины
1 494 ₽
12
3JD-22224-00
.GUIDE, SPRING 2
Цена по
запросу
13
3JD-22475-00
Уплотнение
858 ₽
14
3JX-22253-00
.COLLAR, DISTANCE
Цена по
запросу
15
3JE-22475-00
Пыльник
683 ₽
16
4EW-22253-00
Collar, Distance
1 841 ₽
17
4EW-22474-00
Уплотнение (кольцо)
223 ₽
18
Цена по
запросу
19
95607-10200
Гайка
604 ₽
20
90105-10614
Болт
572 ₽

Узлы для