REAR SUSPENSION

REAR SUSPENSION
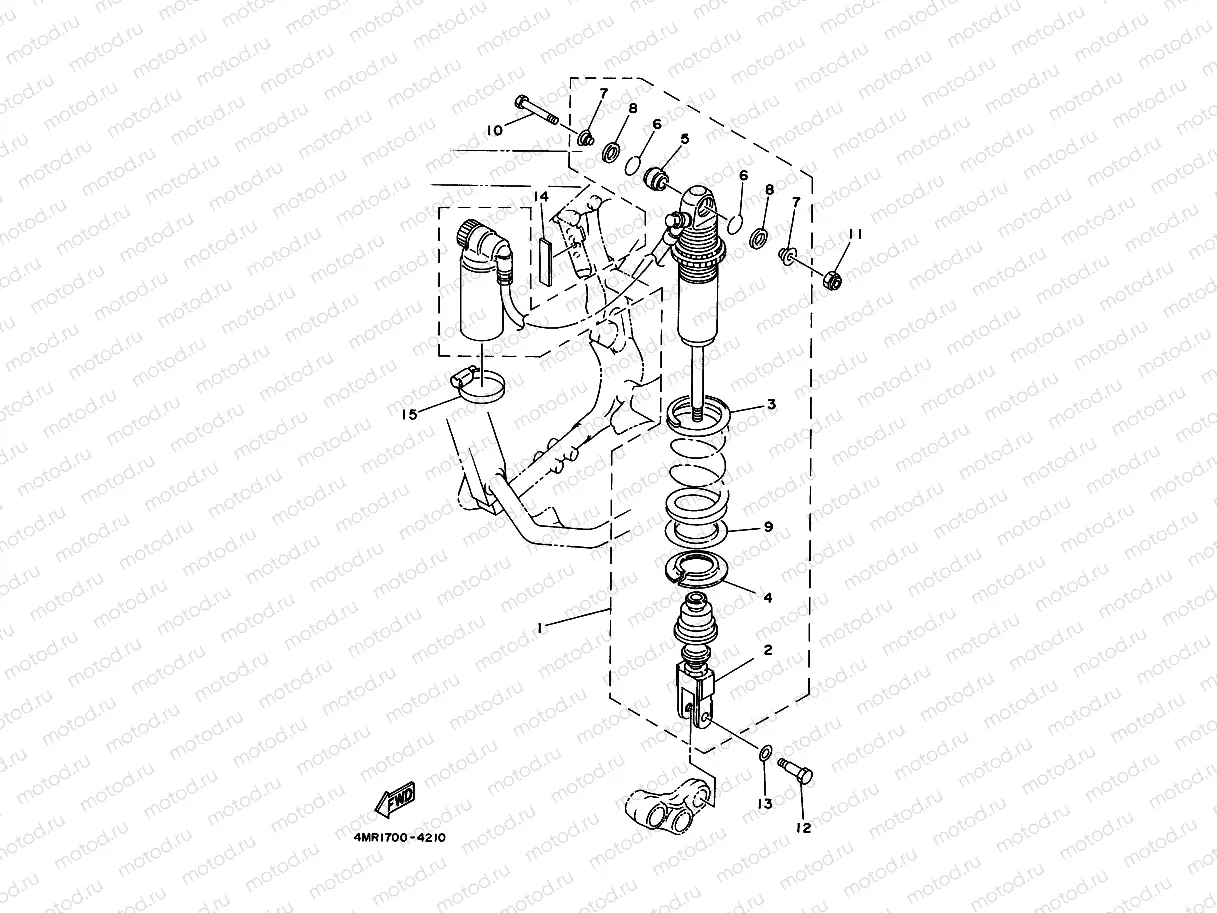
1
4PX-22210-01
Amortisseur arrière
Цена по
запросу
2
4GY-22219-00
Кронштейн верзний
16 142 ₽
3
4PX-22212-00
Пружина
12 588 ₽
4
3LD-22214-01
Направляющая
1 812 ₽
5
93399-999T3
ПОДШИПНИК
7 636 ₽
6
93440-30113
Стопор
207 ₽
7
90387-100Y3
Collar
970 ₽
8
38V-22211-00
Cover
540 ₽
9
3XP-22224-00
Направляющая
1 574 ₽
10
3SP-22241-00
Vis
Цена по
запросу
11
95607-10200
Гайка
604 ₽
12
90105-10614
Болт
572 ₽
13
90201-112U6
Шайба
350 ₽
14
4GY-22261-00
Демпфер крепления бачка
286 ₽
15
90450-60007
Хомут
1 367 ₽

Узлы для