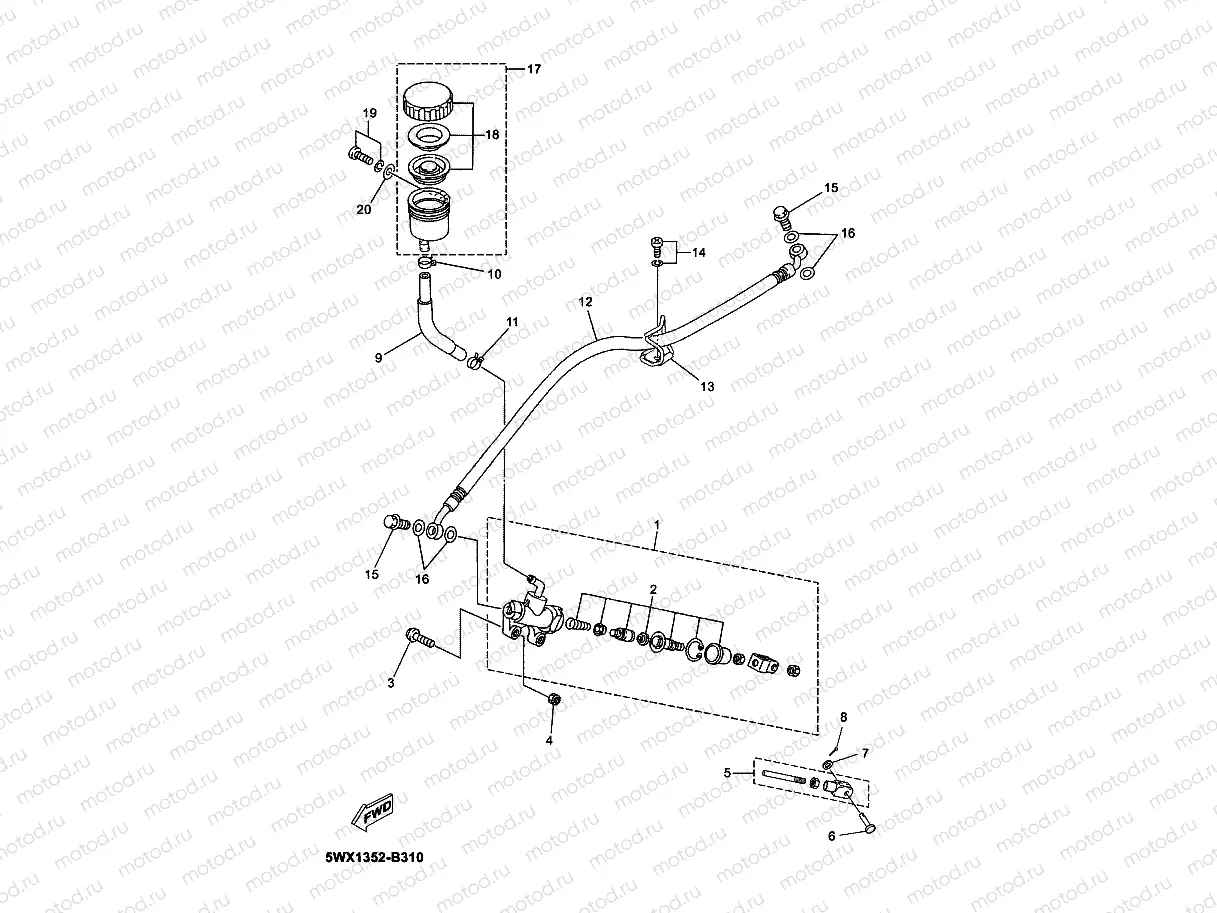
REAR MASTER CYLINDER

REAR MASTER CYLINDER
1
5WX-F583V-00
Brake hydraulic pump
2
5WX-W0042-00
Kit de réparation pour de frein
3
9201L-06025
Vis
4
9570L-06300
Nut
5
5WX-F7230-00
ROD BRAKE ASSY
6
91701-06018
Палец
159 ₽/шт
7
9290L-06200
Шайба
101 ₽/шт
8
91490-20015
Шплинт
104 ₽/шт
9
5WX-F5895-01
HOSE, RESERVOIR
10
5WX-F1823-10
Collier
11
5WX-F1823-00
Collier
12
5WX-F5873-00
Durite de frein
13
5WX-F5875-00
HOLDER, BRAKE HOSE 1
14
9760L-06116
Vis
15
90401-10X05
BOLT, UNION
16
5WX-F7119-00
Rondelle
17
5WX-F5804-00
RESERVE TANK ASSY
18
5WX-F5893-10
RESERVOIR CAP ASSY
19
9760L-06116
Vis
20
90201-06049
Шайба
175 ₽/шт

Узлы для