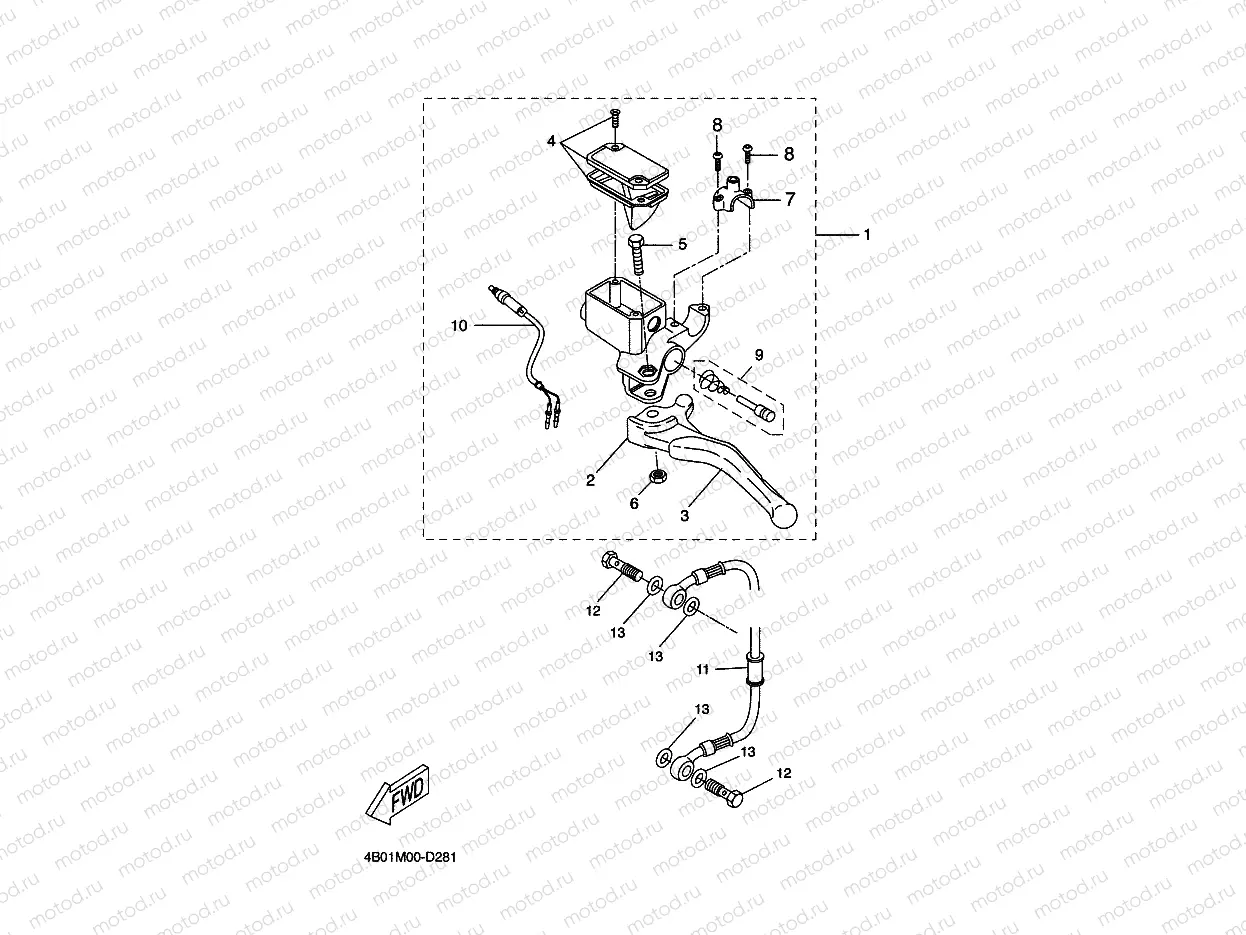
REAR MASTER CYLINDER

REAR MASTER CYLINDER
1
5BR-F583V-32
rake hydraulic pump
2
5BR-H3912-01
Levier de frein
3
5BR-H3935-00
COVER
4
4SB-F5852-10
Couvercle du réservoir de liquide de frein
5
4SB-H3945-00
Vis
6
4SB-H3916-00
Nut
7
4B0-F5867-00
RACKET, MASTER CYLINDER
8
90111-06X01
Болт
812 ₽
9
5BR-F8120-09
Kit de réparation pour de frein
10
5YX-H3980-01
FRONT STOP SWITCH ASSY
11
5BR-F5873-01
Durite de frein
12
90401-10X03
Болт-штуцер
608 ₽
13
90201-10X03
Шайба
406 ₽

Узлы для