REAR MASTER CYLINDER

REAR MASTER CYLINDER
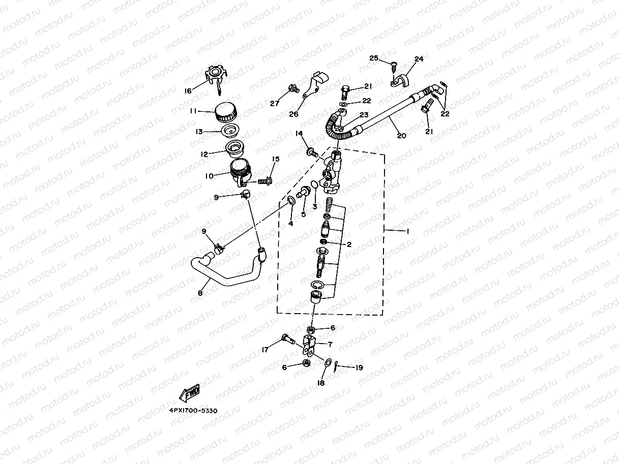
1
4GY-2583V-00
Rr. Master Cylinder Assy
17 073 ₽
2
4GY-W0042-00
Ремкомплект главного цилиндра
7 186 ₽
3
93210-15566
Кольцо уплотнительное
127 ₽
4
2VN-25866-00
Стопор
318 ₽
5
3PA-2582A-50
Joint
1 113 ₽
6
95337-08600
Гайка
120 ₽
7
4GY-27222-00
Joint
954 ₽
8
4GY-25895-00
Шланг резервуар
3 704 ₽
9
90467-11044
Хомут
120 ₽
10
2VN-25894-00
Бачок тормозной жидкости
1 160 ₽
11
4PX-25852-00
Крышка бачка
2 082 ₽
12
2VN-25854-00
Диафрагма
1 510 ₽
13
2VN-25855-00
Втулка
652 ₽
14
92017-08016
Болт
159 ₽
15
95817-06014
Болт
95 ₽
16
3ET-25888-00
Cover, Reservoir Tank
874 ₽
17
90240-08120
Палец
652 ₽
18
90201-08044
Шайба
175 ₽
19
91490-25020
Шплинт
152 ₽
20
4GY-25873-01
Шланг, тормоз 2
9 701 ₽
21
90401-10159
Болт-штуцер
318 ₽
22
90201-108J9
Шайба
85 ₽
23
4FU-25844-00
Washer, Lock
1 653 ₽
24
2VM-25876-00
Крепление шланга
1 065 ₽
25
97707-50610
Винт
234 ₽
26
90462-12195
Clamp
1 558 ₽
27
95027-06012
Болт
136 ₽

Узлы для