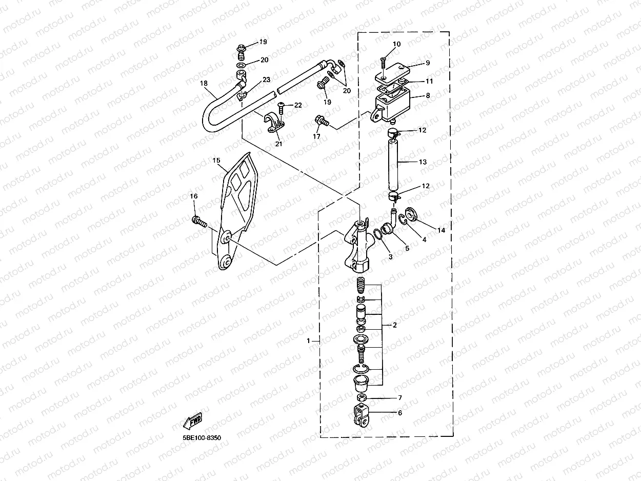
REAR MASTER CYLINDER

REAR MASTER CYLINDER
1
5BE-2583V-00
rake hydraulic pump
Цена по
запросу
2
5BE-W0042-00
Ремкомплект главного цилиндра
3 672 ₽
3
93210-15566
Кольцо уплотнительное
127 ₽
4
2VN-25866-00
Стопор
318 ₽
5
4ML-2582A-50
Штуцер угловой
1 001 ₽
6
3SP-27222-00
Наконечник толкателя
1 160 ₽
7
95380-08700
Гайка
152 ₽
8
5BE-25894-00
Бачок тормозной жидкости
1 621 ₽
9
5BE-25852-00
Крышка бачка
2 988 ₽
10
98706-04040
Винт
159 ₽
11
56A-25854-00
Диафрагма
1 796 ₽
12
90467-12085
Хомут
445 ₽
13
5BE-25895-00
Трубка бачка
638 ₽
14
3FV-2589A-00
Крышка
779 ₽
15
5BE-2117M-01
COVER 2
Цена по
запросу
16
92014-06016
Болт
152 ₽
17
95027-06012
Болт
136 ₽
18
4SS-25873-01
Шланг, тормоз 2
19 543 ₽
19
90401-10172
Болт-штуцер
238 ₽
20
90201-108J9
Шайба
85 ₽
21
2VM-25876-00
Крепление шланга
1 065 ₽
22
97780-50610
Screw, Tapping
207 ₽
23
5BE-25844-00
Rondelle (Lock)
Цена по
запросу

Узлы для